CASM-32/40/63 Actuator
CASM electric cylinders are ideally suited to perform fast and powerful linear movements. Its modular concept enables easy connection to any preferred motor and control systems, reducing design and programming costs considerably. Thanks to high grade materials and a sealing system with an IP54S level, CASM electric cylinders can also be used long term even under adverse conditions. The low backlash design provides positioning precision of up to ± 0,01 mm. It Complies with ISO-15552.
Variant Image

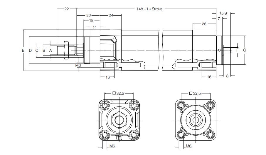
Variant Diagram

Selection Parameters
| Parameters | Min | Max |
|---|---|---|
| Dynamic axial force (KN) | 0.7 KN | 5.4 KN |
| Linear speed (mm/s) | 500 mm/s | 1067 mm/s |
| Dynamic load capacity (KN) | 2.8 KN | 21 KN |
| Stroke (mm) | 400 mm | 800 mm |
| Duty cycle (%) | 100% |
Variant Applications
| Machines / Applications |
|---|
| AGV (automated Guided Vehicles) |
| Industries |
|---|
| Assembly Automation |
| Mobile Machinery |
| General Industry |
CASM-32/40/63 Actuator
CASM electric cylinders are ideally suited to perform fast and powerful linear movements. Its modular concept enables easy connection to any preferred motor and control systems, reducing design and programming costs considerably. Thanks to high grade materials and a sealing system with an IP54S level, CASM electric cylinders can also be used long term even under adverse conditions. The low backlash design provides positioning precision of up to ± 0,01 mm. It Complies with ISO-15552.
Variant Image
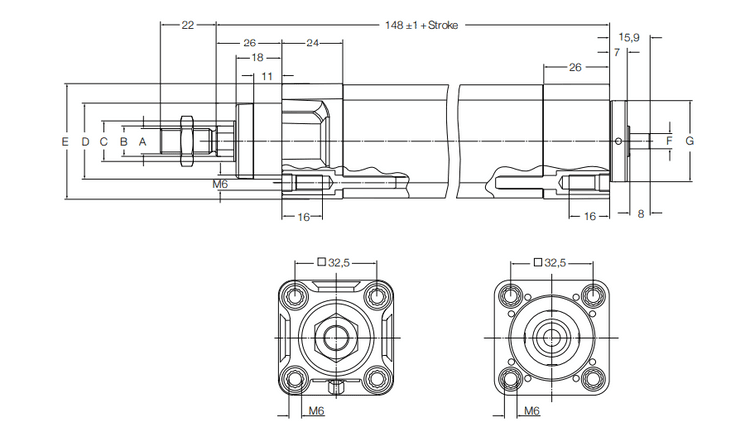
Variant Diagram
Selection Parameters
| Parameters | Min | Max |
|---|---|---|
| Dynamic axial force (KN) | 0.7 KN | 5.4 KN |
| Linear speed (mm/s) | 500 mm/s | 1067 mm/s |
| Dynamic load capacity (KN) | 2.8 KN | 21 KN |
| Stroke (mm) | 400 mm | 800 mm |
| Duty cycle (%) | 100% |
Variant Applications
| Machines / Applications |
|---|
| AGV (automated Guided Vehicles) |
| Industries |
|---|
| Assembly Automation |
| Mobile Machinery |
| General Industry |

