Alumina Bearing
Alumina bearings are manufactured mainly at 99% or higher purity, with good corrosion and chemical resistance. It has excellent high-temperature resistance, electric insulation, hardness, and wear resistance.
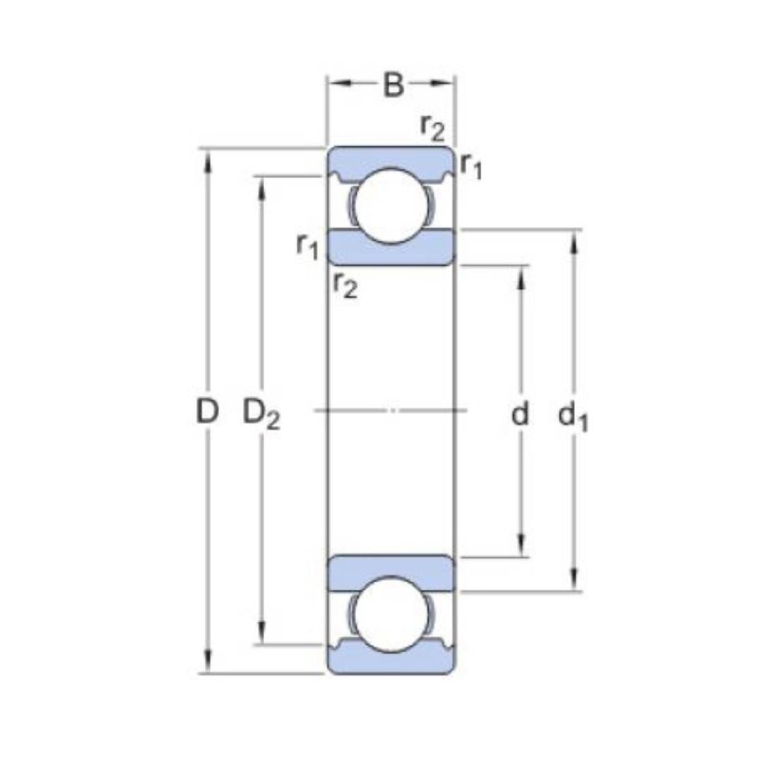
Variant Image

Variant Diagram

Selection Parameters
| Parameters | Min | Max |
|---|---|---|
| Operating Temperature | 1400 ℃ | 1800 ℃ |
Variant Applications
| Machines / Applications |
|---|
| Insulation equipment |
| Semiconductor equipment |
| LCD equipment |
| Chemical equipment |
| Industries |
|---|
| Chemical Industry |
| Electronic Industry |
Alumina Bearing
Alumina bearings are manufactured mainly at 99% or higher purity, with good corrosion and chemical resistance. It has excellent high-temperature resistance, electric insulation, hardness, and wear resistance.
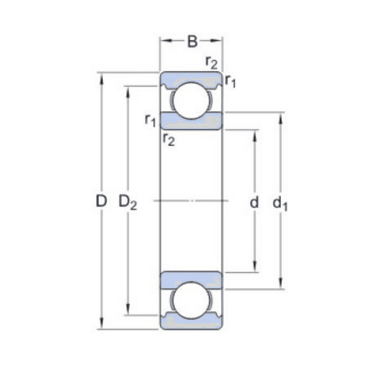
Variant Image
Variant Diagram
Selection Parameters
| Parameters | Min | Max |
|---|---|---|
| Operating Temperature | 1400 ℃ | 1800 ℃ |
Variant Applications
| Machines / Applications |
|---|
| Insulation equipment |
| Semiconductor equipment |
| LCD equipment |
| Chemical equipment |
| Industries |
|---|
| Chemical Industry |
| Electronic Industry |

