Hybrid Bearings
It is possible to design and manufacture in consideration of high temperature environment, corrosion resistance, abrasion resistance, allowable load and rotation speed, etc.
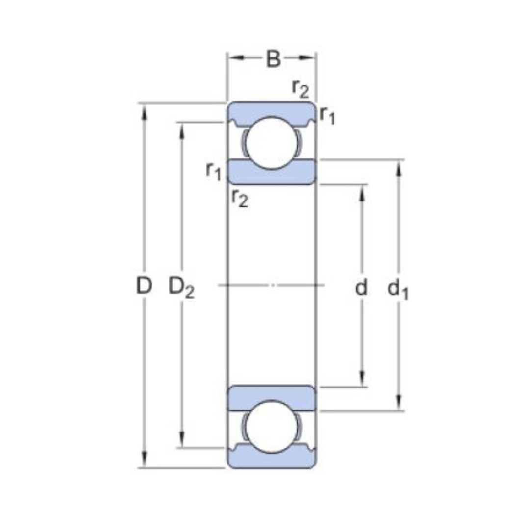
Variant Image

Variant Diagram

Variant Applications
| Machines / Applications |
|---|
| Medical equipment |
| Semiconductor equipment |
| LCD equipment |
| Food equipment |
| Chemical equipment |
| Electroplating equipment |
| Industries |
|---|
| Medical Industry |
| Food Industry |
| Chemical Industry |
| Electronic Industry |
Hybrid Bearings
It is possible to design and manufacture in consideration of high temperature environment, corrosion resistance, abrasion resistance, allowable load and rotation speed, etc.
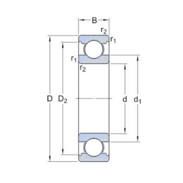
Variant Image
Variant Diagram
Variant Applications
| Machines / Applications |
|---|
| Medical equipment |
| Semiconductor equipment |
| LCD equipment |
| Food equipment |
| Chemical equipment |
| Electroplating equipment |
| Industries |
|---|
| Medical Industry |
| Food Industry |
| Chemical Industry |
| Electronic Industry |

