POM Plastic Bearing
POM bearing with high resistance to decomposition reaction (hydrolysis reaction) They are applicable to clean environments and machine equipment where corrosion resistance and lightweight materials are required, so metals are not suitable.
Variant Image

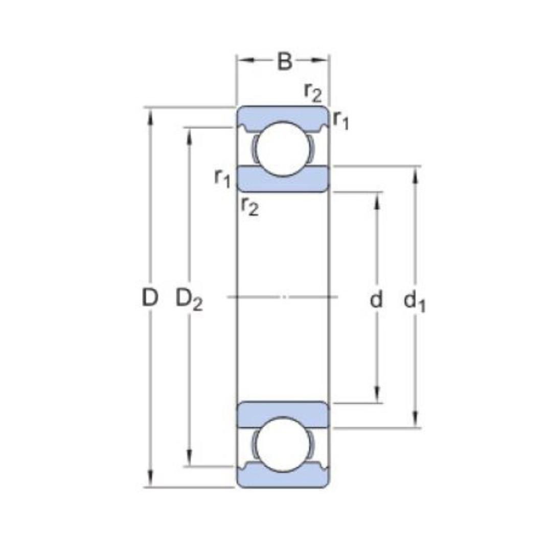
Variant Diagram

Variant Applications
| Machines / Applications |
|---|
| Instrutments |
| Textile Finishing |
| conveyors |
| Air Conditioning |
| Industries |
|---|
| Textile Industry |
| Material Handling |
POM Plastic Bearing
POM bearing with high resistance to decomposition reaction (hydrolysis reaction) They are applicable to clean environments and machine equipment where corrosion resistance and lightweight materials are required, so metals are not suitable.
Variant Image
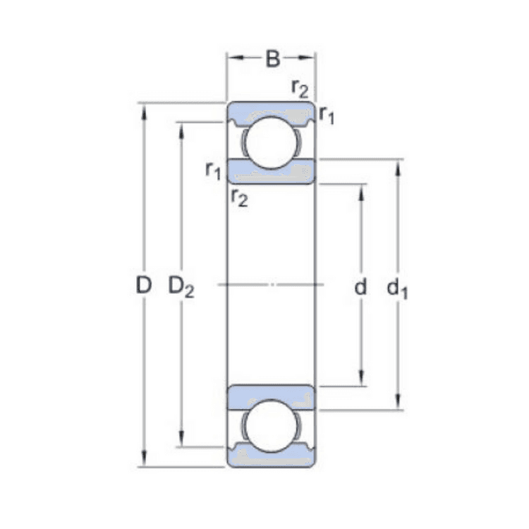
Variant Diagram
Variant Applications
| Machines / Applications |
|---|
| Instrutments |
| Textile Finishing |
| conveyors |
| Air Conditioning |
| Industries |
|---|
| Textile Industry |
| Material Handling |

