PTFE Plastic Bearings

Antichemical PTFE Bearing can work continuously at -40°C –200°C and has the best chemical resistance among engineering plastics. It has resistance to all types of chemicals, low friction factor, good electric insulation, and is not sensitive to temperature.
Variant Image
PTFE Bearings.jpg
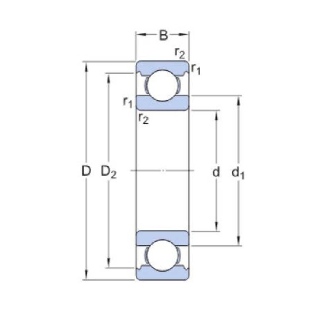
Variant Diagram
bearings diag.png
Selection Parameters
ParametersMinMax
Operating Temperature -40 ℃200 ℃
Variant Applications
Machines / Applications
Elevators
Consumer electronics
Textile machines
Butterfly valves
Hydraulics
Industries
Textile Industry
Electronic Industry

PTFE Plastic Bearings

Antichemical PTFE Bearing can work continuously at -40°C –200°C and has the best chemical resistance among engineering plastics. It has resistance to all types of chemicals, low friction factor, good electric insulation, and is not sensitive to temperature.

Variant Image
PTFE Bearings.jpg
Variant Diagram
bearings diag.png
Selection Parameters
ParametersMinMax
Operating Temperature -40 ℃200 ℃
Variant Applications
Machines / Applications
Elevators
Consumer electronics
Textile machines
Butterfly valves
Hydraulics
Industries
Textile Industry
Electronic Industry