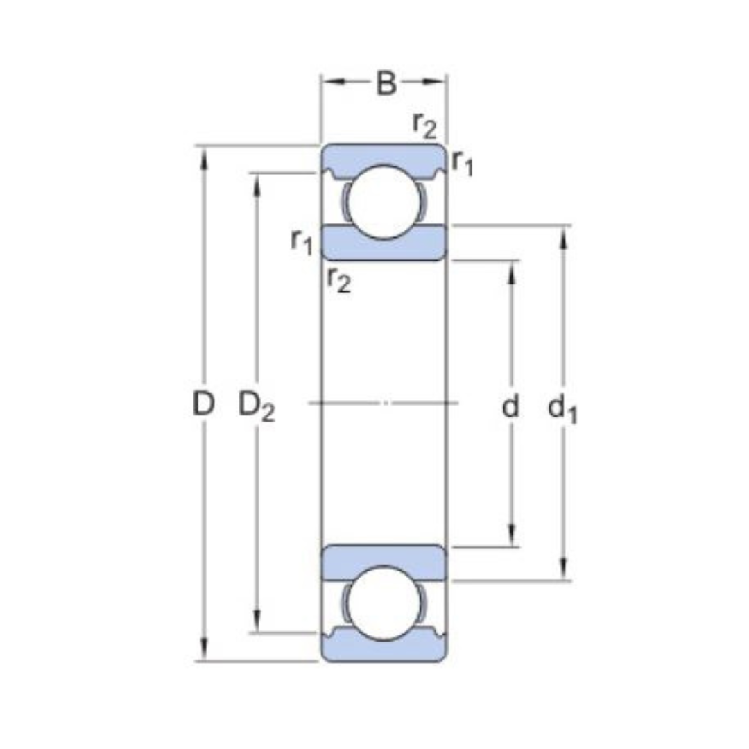
PVDF Plastic Bearing
Antiwear and Anticorrosion PVDF Plastic Bearing (Applicable to Hydrofluoric Acid Environment) PVDF has excellent chemical and wear resistance, relatively good machinability, and high strength and hardness, and can work continuously at a high temperature(130°C) while keeping chemical resistance. It has better tensile strength, pressure resistance, and dimensional stability than PTFE, and soft surface, making it suitable for bearings. It can maintain its stability even with oxides and radiation.
Variant Image

Variant Diagram

Selection Parameters
| Parameters | Min | Max |
|---|---|---|
| Operating Temperature | 130 ℃ |
Variant Applications
| Machines / Applications |
|---|
| High Purity Semiconductors |
| Food |
| Pumps |
| Pharmaceutical |
| Piping |
| Industries |
|---|
| Thermal |
| Chemical |
| Ultraviolent Environments |
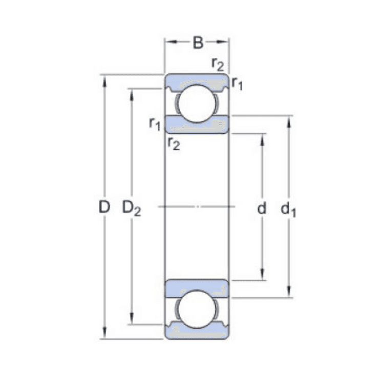
PVDF Plastic Bearing
Antiwear and Anticorrosion PVDF Plastic Bearing (Applicable to Hydrofluoric Acid Environment) PVDF has excellent chemical and wear resistance, relatively good machinability, and high strength and hardness, and can work continuously at a high temperature(130°C) while keeping chemical resistance. It has better tensile strength, pressure resistance, and dimensional stability than PTFE, and soft surface, making it suitable for bearings. It can maintain its stability even with oxides and radiation.
Variant Image
Variant Diagram
Selection Parameters
| Parameters | Min | Max |
|---|---|---|
| Operating Temperature | 130 ℃ |
Variant Applications
| Machines / Applications |
|---|
| High Purity Semiconductors |
| Food |
| Pumps |
| Pharmaceutical |
| Piping |
| Industries |
|---|
| Thermal |
| Chemical |
| Ultraviolent Environments |

