HRC Series
CPC Ball Linear Guides heavy load series HRC use four row recirculating steel balls. They have advance features like built in lubricant storage and supply system, patented reinforcement plate design and high rigidity.
Variant Image

Variant Diagram

Selection Parameters
| Parameters | Min | Max |
|---|---|---|
| Rail Width | 15 mm | 53 mm |
| Assembly Height | 24 mm | 80 mm |
| Dynamic Load | 9.9 KN | 147 KN |
| Static Load | 17.5 KN | 126 KN |
Variant Applications
| Machines / Applications |
|---|
| Conveyance System |
| Industrial Robots |
| Woodworking Machine |
| Injection Molding Machine |
| CNC Machining Center |
| Industries |
|---|
| Precision Measurement Equipment Manufacturer |
| Electronic Part Manufacturer |
| Machine Tool Manufacturer |
HRC Series
CPC Ball Linear Guides heavy load series HRC use four row recirculating steel balls. They have advance features like built in lubricant storage and supply system, patented reinforcement plate design and high rigidity.
Variant Image
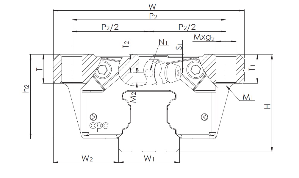
Variant Diagram
Selection Parameters
| Parameters | Min | Max |
|---|---|---|
| Rail Width | 15 mm | 53 mm |
| Assembly Height | 24 mm | 80 mm |
| Dynamic Load | 9.9 KN | 147 KN |
| Static Load | 17.5 KN | 126 KN |
Variant Applications
| Machines / Applications |
|---|
| Conveyance System |
| Industrial Robots |
| Woodworking Machine |
| Injection Molding Machine |
| CNC Machining Center |
| Industries |
|---|
| Precision Measurement Equipment Manufacturer |
| Electronic Part Manufacturer |
| Machine Tool Manufacturer |

