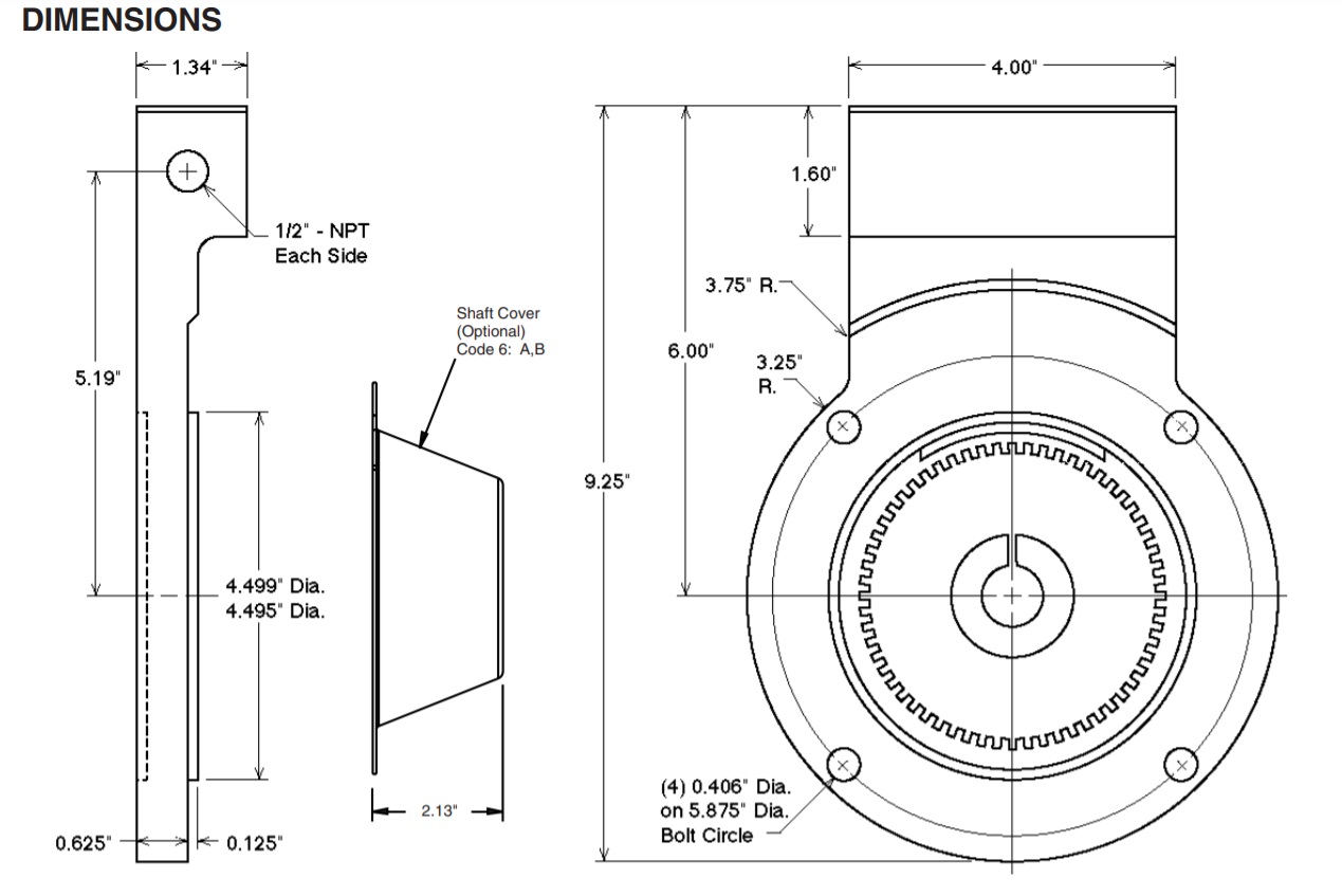
Series R45
Series R45 is a Bearingless kit encoder. It has a gear tooth and pickup design.
Variant Image

Variant Diagram

Selection Parameters
| Parameters | Min | Max |
|---|---|---|
| Shaft Diameter | 5/8 inch | 7/8 inch |
| Input Voltage | 5 VDC | 26 VDC |
| Revolutions | 60 PPR | |
| Temperature | -40 °C | 85 °C |
Variant Applications
| Machines / Applications |
|---|
| Printing Equipment |
| Medical Equipment |
| Pickling Equipment |
| CNC Machines |
| Processing Equipment |
| Industries |
|---|
| Automation Equipment Manufacturer |
| Pharma Plant & Equipment Manufacturer |
| Automobile Manufacturer |
| Steel & Aluminium Manufacturer |
| Paper Manufacturing |
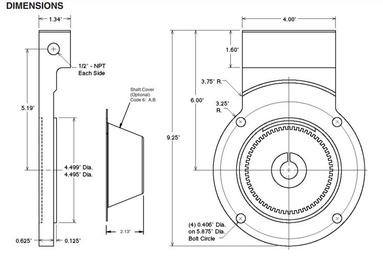
Series R45
Series R45 is a Bearingless kit encoder. It has a gear tooth and pickup design.
Variant Image
Variant Diagram
Selection Parameters
| Parameters | Min | Max |
|---|---|---|
| Shaft Diameter | 5/8 inch | 7/8 inch |
| Input Voltage | 5 VDC | 26 VDC |
| Revolutions | 60 PPR | |
| Temperature | -40 °C | 85 °C |
Variant Applications
| Machines / Applications |
|---|
| Printing Equipment |
| Medical Equipment |
| Pickling Equipment |
| CNC Machines |
| Processing Equipment |
| Industries |
|---|
| Automation Equipment Manufacturer |
| Pharma Plant & Equipment Manufacturer |
| Automobile Manufacturer |
| Steel & Aluminium Manufacturer |
| Paper Manufacturing |

