Series HS20
Series HS20 is a sealed hollow shaft encoder. It has electrically isolated shaft design.
Variant Image

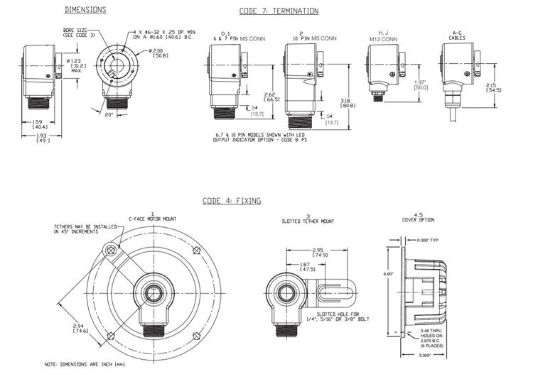
Variant Diagram

Selection Parameters
| Parameters | Min | Max |
|---|---|---|
| Shaft Diameter | 1/4 inch / 6 mm | 5/8 inch / 16 mm |
| Input Voltage | 5 VDC | 26 VDC |
| Revolutions | 50 PPR | 2540 PPR |
| Temperature | 0 °C | 70 °C |
Variant Applications
| Machines / Applications |
|---|
| Printing Equipment |
| Medical Equipment |
| Pickling Equipment |
| CNC Machines |
| Processing Equipment |
| Industries |
|---|
| Automation Equipment Manufacturer |
| Pharma Plant & Equipment Manufacturer |
| Automobile Manufacturer |
| Steel & Aluminium Manufacturer |
| Paper Manufacturing |
Series HS20
Series HS20 is a sealed hollow shaft encoder. It has electrically isolated shaft design.
Variant Image
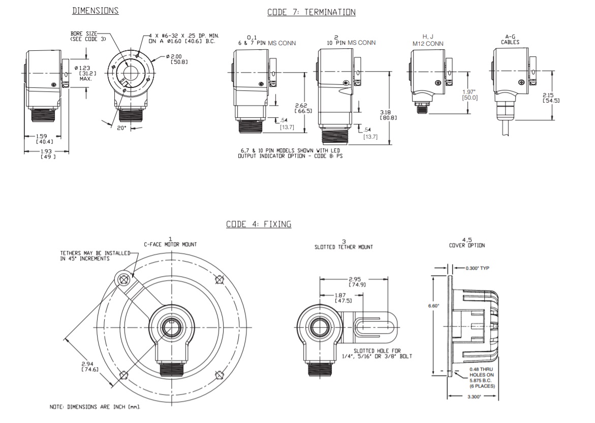
Variant Diagram
Selection Parameters
| Parameters | Min | Max |
|---|---|---|
| Shaft Diameter | 1/4 inch / 6 mm | 5/8 inch / 16 mm |
| Input Voltage | 5 VDC | 26 VDC |
| Revolutions | 50 PPR | 2540 PPR |
| Temperature | 0 °C | 70 °C |
Variant Applications
| Machines / Applications |
|---|
| Printing Equipment |
| Medical Equipment |
| Pickling Equipment |
| CNC Machines |
| Processing Equipment |
| Industries |
|---|
| Automation Equipment Manufacturer |
| Pharma Plant & Equipment Manufacturer |
| Automobile Manufacturer |
| Steel & Aluminium Manufacturer |
| Paper Manufacturing |

