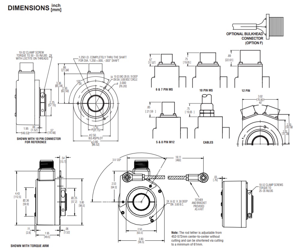
Series HS35M
Series HS35M is a heavy duty hollow shaft encoder is designed to take upto 400G shock and 20G vibration. It is available with IP67 rating.
Variant Image

Variant Diagram

Selection Parameters
| Parameters | Min | Max |
|---|---|---|
| Shaft Diameter | 1/4 inch / 6 mm | 1-1/4 inch / 28 mm |
| Input Voltage | 5 VDC | 26 VDC |
| Revolutions | 256 PPR | 2048 PPR |
| Temperature | -40 °C | 120 °C |
Variant Applications
| Machines / Applications |
|---|
| Printing Equipment |
| Medical Equipment |
| Pickling Equipment |
| CNC Machines |
| Processing Equipment |
| Industries |
|---|
| Automation Equipment Manufacturer |
| Pharma Plant & Equipment Manufacturer |
| Automobile Manufacturer |
| Steel & Aluminium Manufacturer |
| Paper Manufacturing |
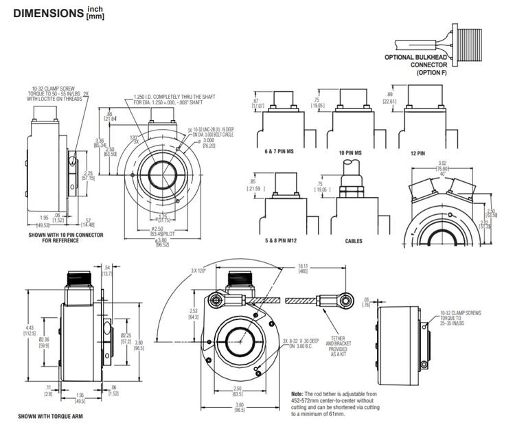
Series HS35M
Series HS35M is a heavy duty hollow shaft encoder is designed to take upto 400G shock and 20G vibration. It is available with IP67 rating.
Variant Image
Variant Diagram
Selection Parameters
| Parameters | Min | Max |
|---|---|---|
| Shaft Diameter | 1/4 inch / 6 mm | 1-1/4 inch / 28 mm |
| Input Voltage | 5 VDC | 26 VDC |
| Revolutions | 256 PPR | 2048 PPR |
| Temperature | -40 °C | 120 °C |
Variant Applications
| Machines / Applications |
|---|
| Printing Equipment |
| Medical Equipment |
| Pickling Equipment |
| CNC Machines |
| Processing Equipment |
| Industries |
|---|
| Automation Equipment Manufacturer |
| Pharma Plant & Equipment Manufacturer |
| Automobile Manufacturer |
| Steel & Aluminium Manufacturer |
| Paper Manufacturing |

