Series E14H
Series E14H is a miniature encoder with upto 2540 PPR with optional index. It has rugged metal housing.
Variant Image

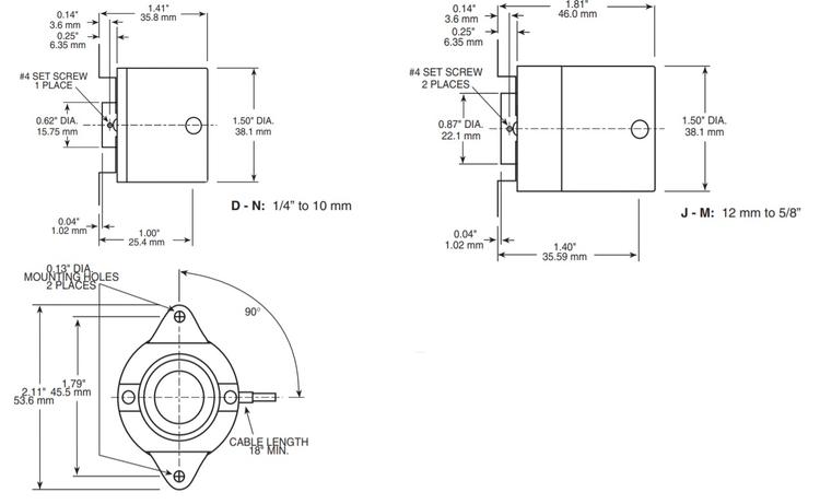
Variant Diagram

Selection Parameters
| Parameters | Min | Max |
|---|---|---|
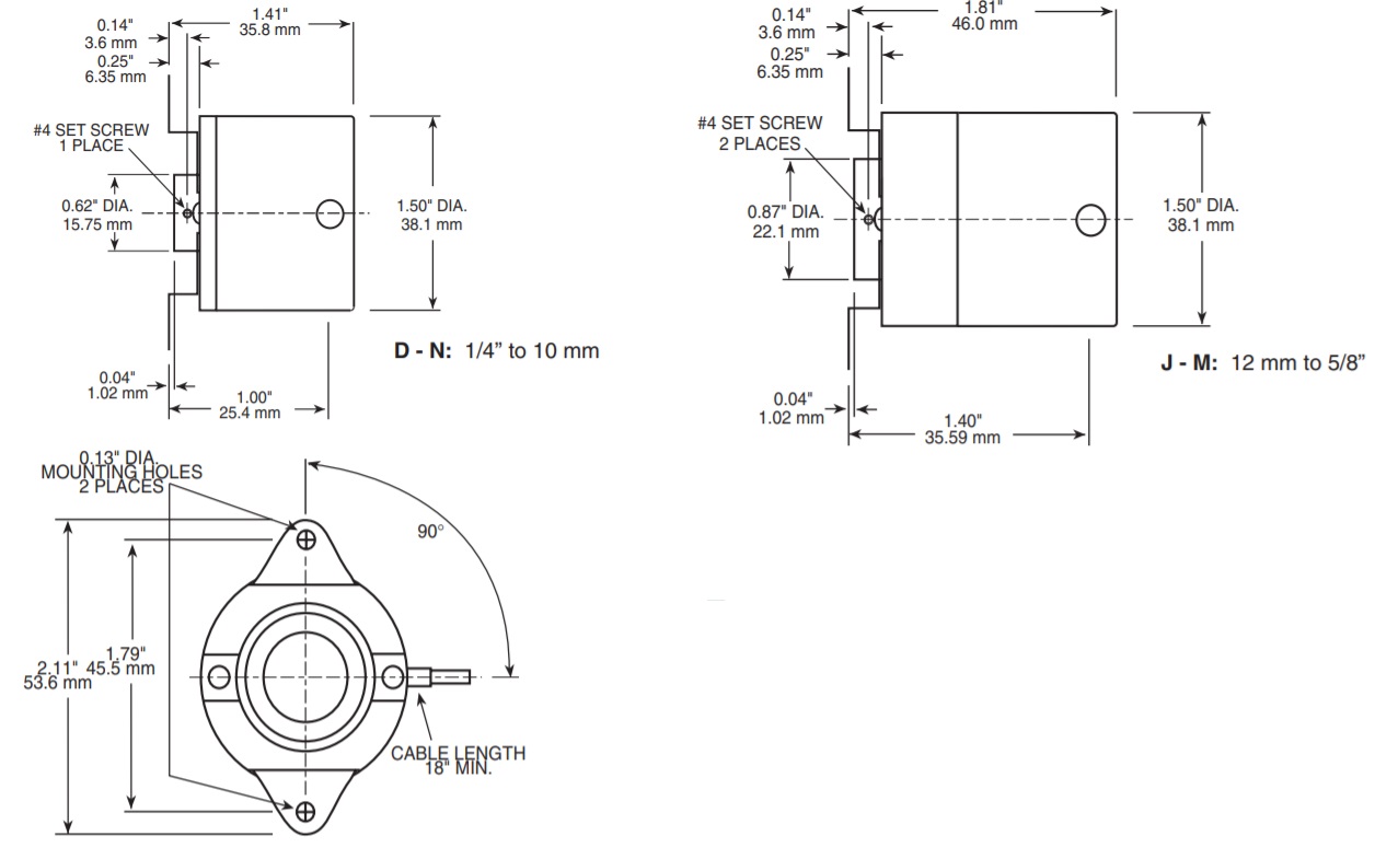
| Shaft Diameter | 1/4 inch / 6 mm | 5/8 inch / 14 mm |
| Input Voltage | 5 VDC | 15 VDC |
| Revolutions | 100 PPR | 2540 PPR |
| Temperature | 0 °C | 70 °C |
Variant Applications
| Machines / Applications |
|---|
| Coil Tubing |
| Propulsion Systems |
| Bottling Machines |
| Coal Dust Environments |
| Winch |
| Industries |
|---|
| Oil, Gas Exploration & Refinery |
| Food and Beverage Industry |
| Steel & Aluminium Manufacturer |
| Paper Manufacturing |
| Mining |
Series E14H
Series E14H is a miniature encoder with upto 2540 PPR with optional index. It has rugged metal housing.
Variant Image
Variant Diagram
Selection Parameters
| Parameters | Min | Max |
|---|---|---|
| Shaft Diameter | 1/4 inch / 6 mm | 5/8 inch / 14 mm |
| Input Voltage | 5 VDC | 15 VDC |
| Revolutions | 100 PPR | 2540 PPR |
| Temperature | 0 °C | 70 °C |
Variant Applications
| Machines / Applications |
|---|
| Coil Tubing |
| Propulsion Systems |
| Bottling Machines |
| Coal Dust Environments |
| Winch |
| Industries |
|---|
| Oil, Gas Exploration & Refinery |
| Food and Beverage Industry |
| Steel & Aluminium Manufacturer |
| Paper Manufacturing |
| Mining |

