Series RR25
Series RR25 is a heavy duty encoder with ball bearingless hub-shaft design. It is corrosion resistant.
Variant Image

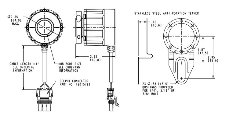
Variant Diagram

Selection Parameters
| Parameters | Min | Max |
|---|---|---|
| Shaft Diameter | 1 inch | 1-1/8 inch |
| Input Voltage | 5 VDC | 28 VDC |
| Revolutions | 180 PPR | 512 PPR |
| Temperature | -20 °C | 85 °C |
Variant Applications
| Machines / Applications |
|---|
| Coil Tubing |
| Propulsion Systems |
| Bottling Machines |
| Coal Dust Environments |
| Winch |
| Industries |
|---|
| Oil, Gas Exploration & Refinery |
| Food and Beverage Industry |
| Steel & Aluminium Manufacturer |
| Paper Manufacturing |
| Mining |
Series RR25
Series RR25 is a heavy duty encoder with ball bearingless hub-shaft design. It is corrosion resistant.
Variant Image
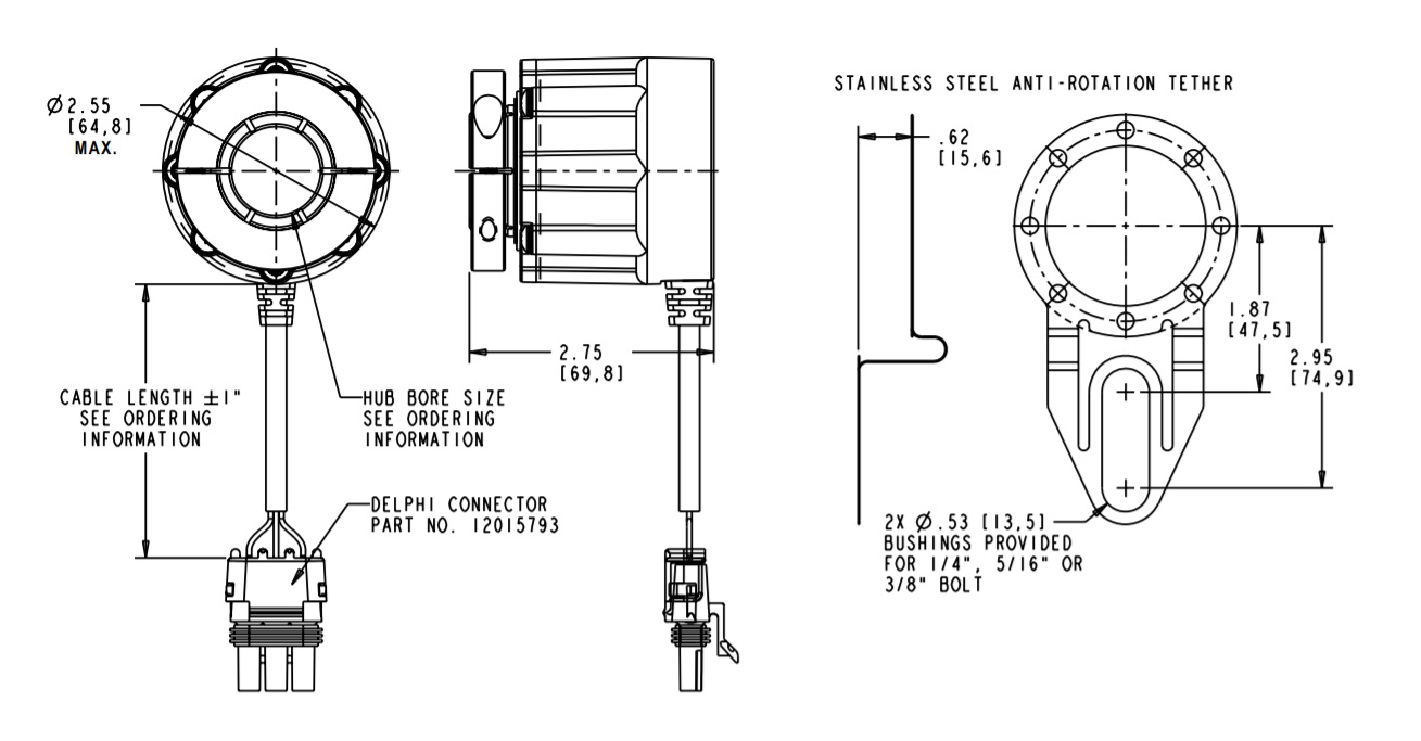
Variant Diagram
Selection Parameters
| Parameters | Min | Max |
|---|---|---|
| Shaft Diameter | 1 inch | 1-1/8 inch |
| Input Voltage | 5 VDC | 28 VDC |
| Revolutions | 180 PPR | 512 PPR |
| Temperature | -20 °C | 85 °C |
Variant Applications
| Machines / Applications |
|---|
| Coil Tubing |
| Propulsion Systems |
| Bottling Machines |
| Coal Dust Environments |
| Winch |
| Industries |
|---|
| Oil, Gas Exploration & Refinery |
| Food and Beverage Industry |
| Steel & Aluminium Manufacturer |
| Paper Manufacturing |
| Mining |

