Series HA725
Series HA725 has direct-read high resolutions upto 10000 PPR. It has IP66 sealing.
Variant Image

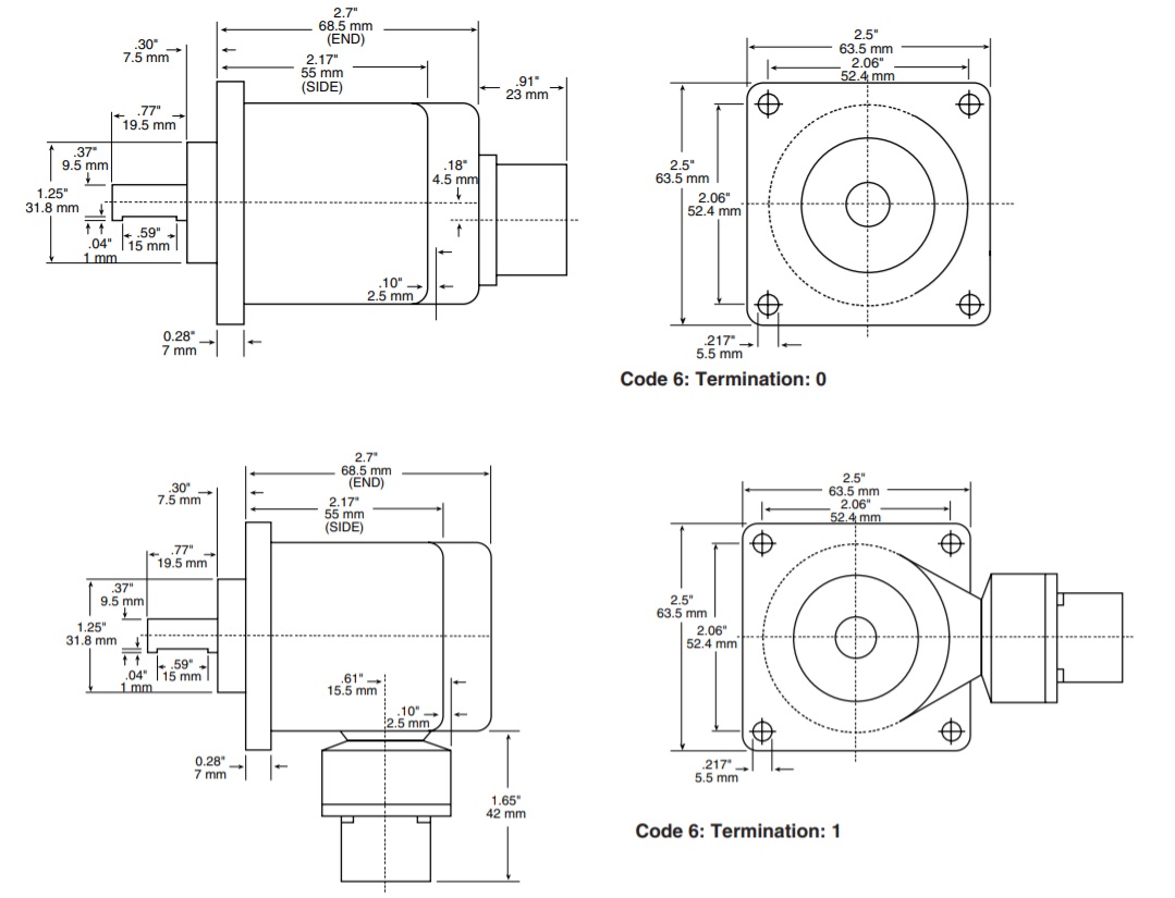
Variant Diagram

Selection Parameters
| Parameters | Min | Max |
|---|---|---|
| Shaft Diameter | 3/8 inch | |
| Input Voltage | 5 VDC | 30 VDC |
| Revolutions | 8192 PPR | 10000 PPR |
| Temperature | 0 °C | 70 °C |
Variant Applications
| Machines / Applications |
|---|
| Printing Equipment |
| Medical Equipment |
| Pickling Equipment |
| CNC Machines |
| Processing Equipment |
| Industries |
|---|
| Automation Equipment Manufacturer |
| Pharma Plant & Equipment Manufacturer |
| Automobile Manufacturer |
| Steel & Aluminium Manufacturer |
| Paper Manufacturing |
Series HA725
Series HA725 has direct-read high resolutions upto 10000 PPR. It has IP66 sealing.
Variant Image
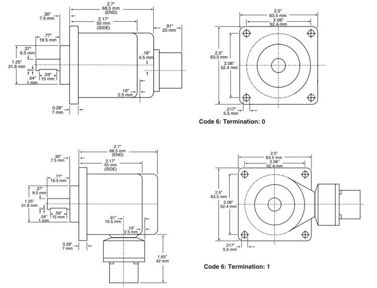
Variant Diagram
Selection Parameters
| Parameters | Min | Max |
|---|---|---|
| Shaft Diameter | 3/8 inch | |
| Input Voltage | 5 VDC | 30 VDC |
| Revolutions | 8192 PPR | 10000 PPR |
| Temperature | 0 °C | 70 °C |
Variant Applications
| Machines / Applications |
|---|
| Printing Equipment |
| Medical Equipment |
| Pickling Equipment |
| CNC Machines |
| Processing Equipment |
| Industries |
|---|
| Automation Equipment Manufacturer |
| Pharma Plant & Equipment Manufacturer |
| Automobile Manufacturer |
| Steel & Aluminium Manufacturer |
| Paper Manufacturing |

