SRSA/SVSA Actuator
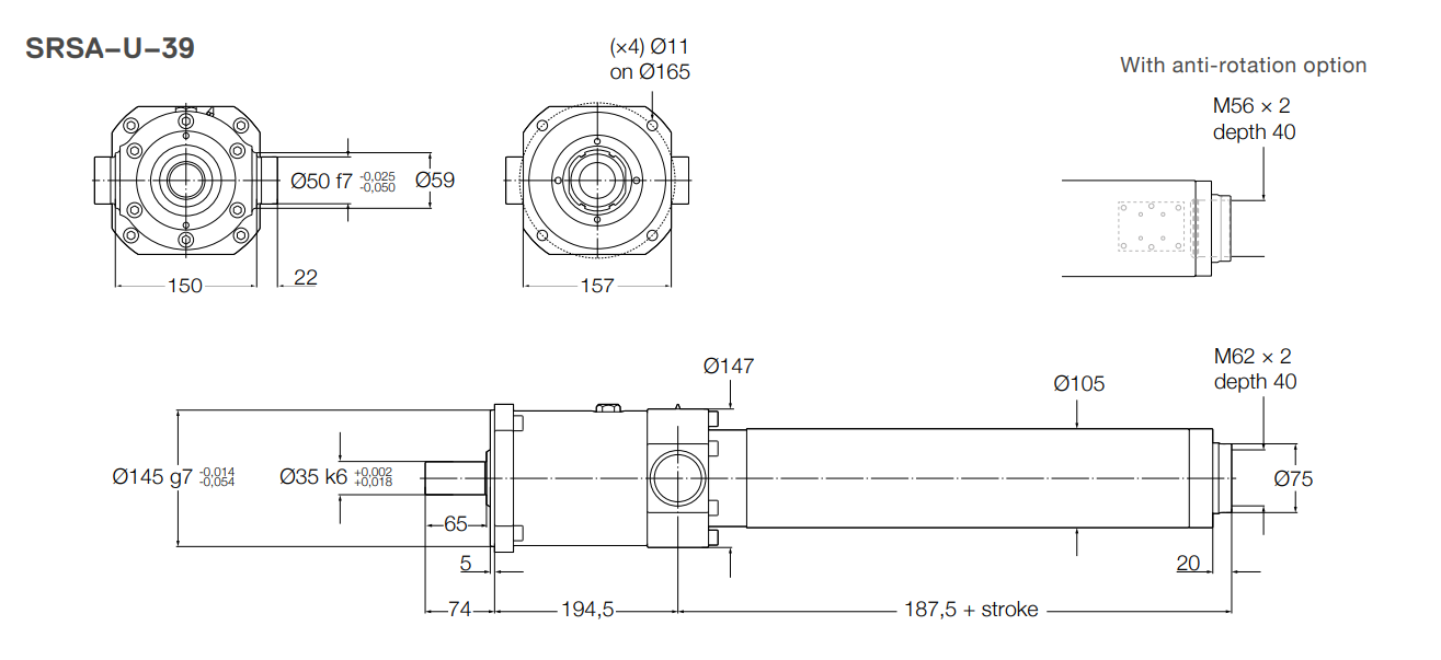
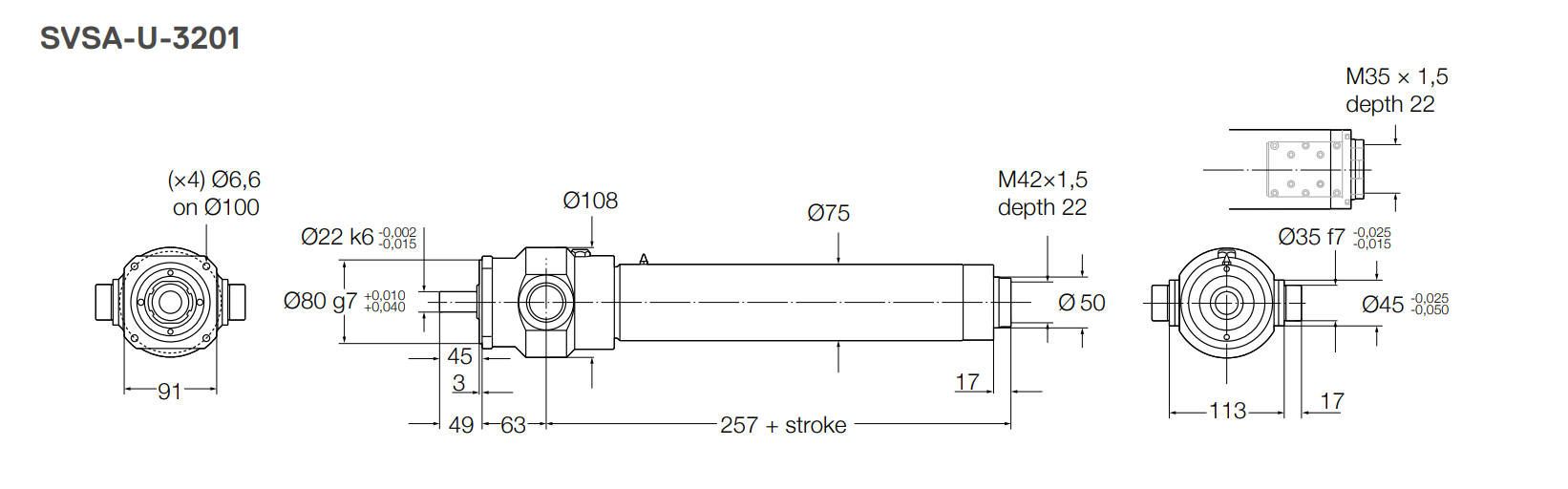
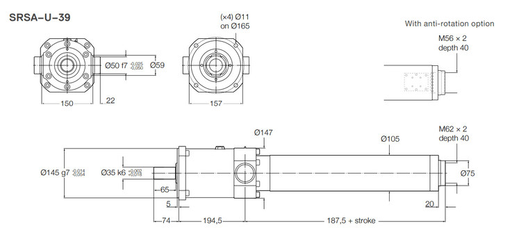
SRSA electric cylinders are the strongest actuator range in the Ewellix portfolio. Their housing is made of steel for high stiffness and robustness. The wide range consists of cylinders with screw sizes from 39 mm up to 75 mm. This enables the use of electric SRSA cylinders in applications with peak forces up to 500 KN. For very high positioning accuracy, Ewellix offers the slow moving SVSA range with high precision recirculating roller-screws. With the very short screw lead of 1 mm only, it is easier to control the actuator while doing fine positioning adjustments down to microns.
Variant Image

Variant Diagram

Variant Diagram

Selection Parameters
| Parameters | Min | Max |
|---|---|---|
| Dynamic axial force (KN) | 74.6 KN | 500 KN |
| Linear speed (mm/s) | 10 mm/s | 1111 mm/s |
| Dynamic load capacity (KN) | 174 KN | 572 KN |
| Stroke (mm) | 900 mm | 1500 mm |
| Duty cycle (%) | 100% |
Variant Applications
| Machines / Applications |
|---|
| Dispensing |
| Blow Moulding |
| Servo Press |
| Hexapods |
| Press Forming |
| Embossing |
| Industries |
|---|
| Assembly Automation |
| Medical Industry |
| Mobile Machinery |
| General Industry |
SRSA/SVSA Actuator
SRSA electric cylinders are the strongest actuator range in the Ewellix portfolio. Their housing is made of steel for high stiffness and robustness. The wide range consists of cylinders with screw sizes from 39 mm up to 75 mm. This enables the use of electric SRSA cylinders in applications with peak forces up to 500 KN. For very high positioning accuracy, Ewellix offers the slow moving SVSA range with high precision recirculating roller-screws. With the very short screw lead of 1 mm only, it is easier to control the actuator while doing fine positioning adjustments down to microns.
Variant Image
Variant Diagram
Variant Diagram
Selection Parameters
| Parameters | Min | Max |
|---|---|---|
| Dynamic axial force (KN) | 74.6 KN | 500 KN |
| Linear speed (mm/s) | 10 mm/s | 1111 mm/s |
| Dynamic load capacity (KN) | 174 KN | 572 KN |
| Stroke (mm) | 900 mm | 1500 mm |
| Duty cycle (%) | 100% |
Variant Applications
| Machines / Applications |
|---|
| Dispensing |
| Blow Moulding |
| Servo Press |
| Hexapods |
| Press Forming |
| Embossing |
| Industries |
|---|
| Assembly Automation |
| Medical Industry |
| Mobile Machinery |
| General Industry |


