Helical Tooth Pinion
High precision Helical Tooth Pinions with milled or ground teeth, right or left-hand and with Helix angle inclination, are manufactures using different raw materials: C45 and 20MnCr5 for standard, all the alloy, like 18NiCrMo5 and 39NiCrMo3, or not alloy materials, different types of nylon, cast irons, alloys of common bronze and bronze aluminium, stainless steel and different typologies of Bakelite.
Variant Image

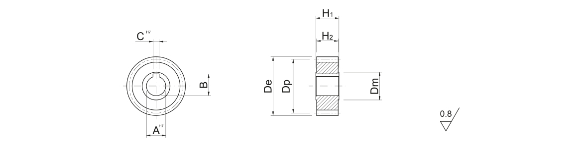
Variant Diagram

Selection Parameters
| Parameters | Min | Max |
|---|---|---|
| Module | 1.5 | 10 |
| OD | 28 mm | 232 mm |
| ID | 11 mm | 90 mm |
| PCD | 25 mm | 112 mm |
| Width | 30 mm | 165 mm |
| No of Teeth | 16 | 40 |
| Tooth Quality | 5 | 10 |
Variant Applications
| Machines / Applications |
|---|
| Rolling Mills |
| Printing machines |
| Elevators |
| conveyors |
| Industries |
|---|
| Material Handling |
| Printing Industry |
Helical Tooth Pinion
High precision Helical Tooth Pinions with milled or ground teeth, right or left-hand and with Helix angle inclination, are manufactures using different raw materials: C45 and 20MnCr5 for standard, all the alloy, like 18NiCrMo5 and 39NiCrMo3, or not alloy materials, different types of nylon, cast irons, alloys of common bronze and bronze aluminium, stainless steel and different typologies of Bakelite.
Variant Image
Variant Diagram
Selection Parameters
| Parameters | Min | Max |
|---|---|---|
| Module | 1.5 | 10 |
| OD | 28 mm | 232 mm |
| ID | 11 mm | 90 mm |
| PCD | 25 mm | 112 mm |
| Width | 30 mm | 165 mm |
| No of Teeth | 16 | 40 |
| Tooth Quality | 5 | 10 |
Variant Applications
| Machines / Applications |
|---|
| Rolling Mills |
| Printing machines |
| Elevators |
| conveyors |
| Industries |
|---|
| Material Handling |
| Printing Industry |

