SERIE E36 CM
The SERIE E36 CM is a single turn absolute solid shaft encoder. The single turn resolution is upto 19 bits and incremental resolution is upto 2048 sin / cos per turn. It has protection class IP65.
Variant Image

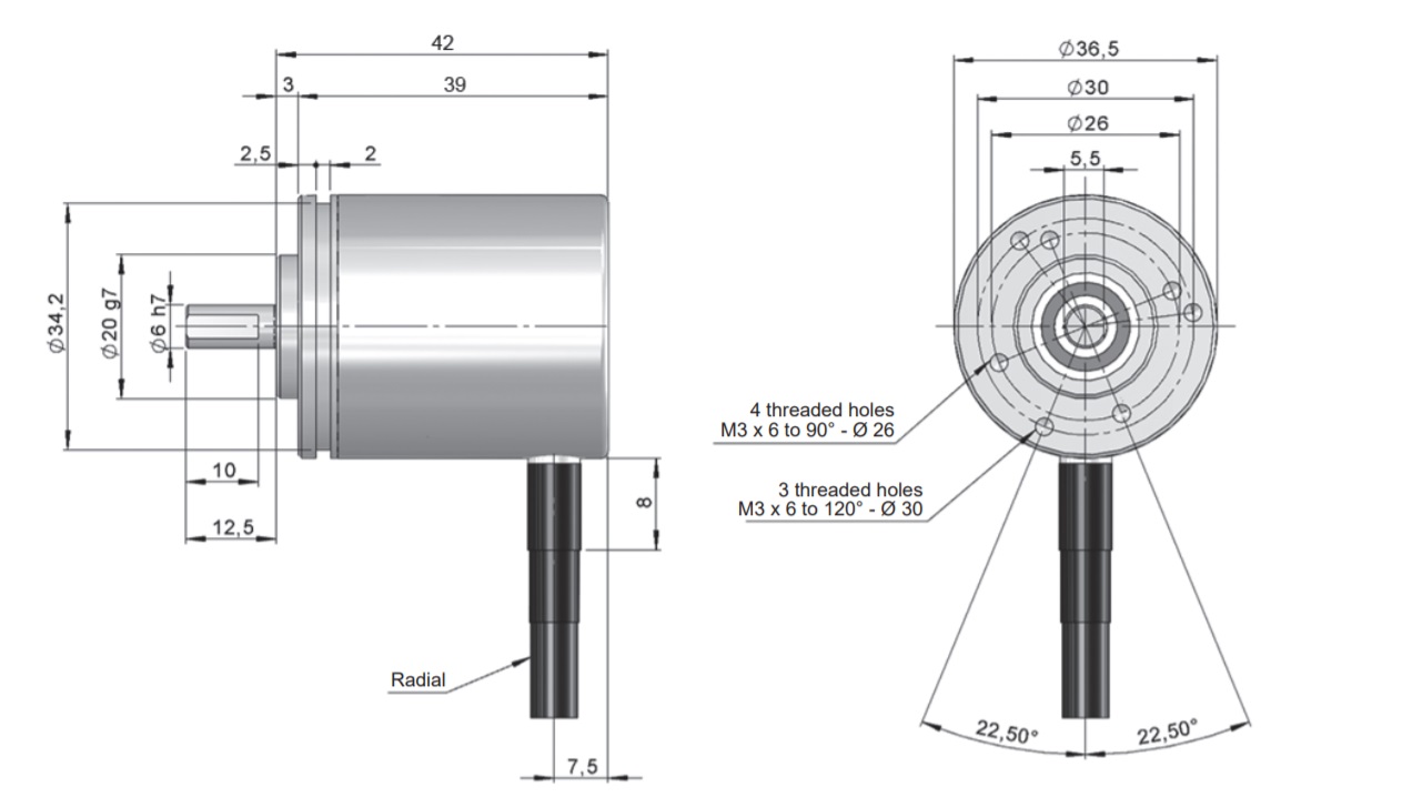
Variant Diagram

Selection Parameters
| Parameters | Min | Max |
|---|---|---|
| Shaft Diameter | 6 mm | 10 mm |
| Voltage | 5 VDC | 30 VDC |
| Revolutions | 6000 rpm | |
| Temperature | -10 °C | 100 °C |
Variant Applications
| Machines / Applications |
|---|
| Cranes and Heavy Lifting Equipment |
| Steel Mill |
| Filling And Packaging Machines |
| Industries |
|---|
| Packaging Equipment Manufacturer |
| Material Handling Equipment Manufacturer |
| Textile Equipment Manufacturer |
| Steel & Aluminium Manufacturer |
SERIE E36 CM
The SERIE E36 CM is a single turn absolute solid shaft encoder. The single turn resolution is upto 19 bits and incremental resolution is upto 2048 sin / cos per turn. It has protection class IP65.
Variant Image
Variant Diagram
Selection Parameters
| Parameters | Min | Max |
|---|---|---|
| Shaft Diameter | 6 mm | 10 mm |
| Voltage | 5 VDC | 30 VDC |
| Revolutions | 6000 rpm | |
| Temperature | -10 °C | 100 °C |
Variant Applications
| Machines / Applications |
|---|
| Cranes and Heavy Lifting Equipment |
| Steel Mill |
| Filling And Packaging Machines |
| Industries |
|---|
| Packaging Equipment Manufacturer |
| Material Handling Equipment Manufacturer |
| Textile Equipment Manufacturer |
| Steel & Aluminium Manufacturer |

