SERIE SMRS 64S
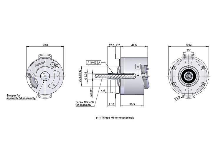
The SERIE SMRS 64S is a single turn absolute conic shaft encoder. The absolute resolution is 1 sin / cos per turn and incremental resolution is upto 2048 sin / cos per turn. It has anti-rotation system and protection class IP54.
Variant Image

Variant Diagram

Selection Parameters
| Parameters | Min | Max |
|---|---|---|
| Shaft Ratio | 1 : 10 | |
| Voltage | 5 VDC | |
| Revolutions | 6000 rpm | |
| Temperature | -20 °C | 80 °C |
Variant Applications
| Machines / Applications |
|---|
| Cranes and Heavy Lifting Equipment |
| Steel Mill |
| Filling And Packaging Machines |
| Industries |
|---|
| Packaging Equipment Manufacturer |
| Material Handling Equipment Manufacturer |
| Textile Equipment Manufacturer |
| Steel & Aluminium Manufacturer |
SERIE SMRS 64S
The SERIE SMRS 64S is a single turn absolute conic shaft encoder. The absolute resolution is 1 sin / cos per turn and incremental resolution is upto 2048 sin / cos per turn. It has anti-rotation system and protection class IP54.
Variant Image
Variant Diagram
Selection Parameters
| Parameters | Min | Max |
|---|---|---|
| Shaft Ratio | 1 : 10 | |
| Voltage | 5 VDC | |
| Revolutions | 6000 rpm | |
| Temperature | -20 °C | 80 °C |
Variant Applications
| Machines / Applications |
|---|
| Cranes and Heavy Lifting Equipment |
| Steel Mill |
| Filling And Packaging Machines |
| Industries |
|---|
| Packaging Equipment Manufacturer |
| Material Handling Equipment Manufacturer |
| Textile Equipment Manufacturer |
| Steel & Aluminium Manufacturer |

