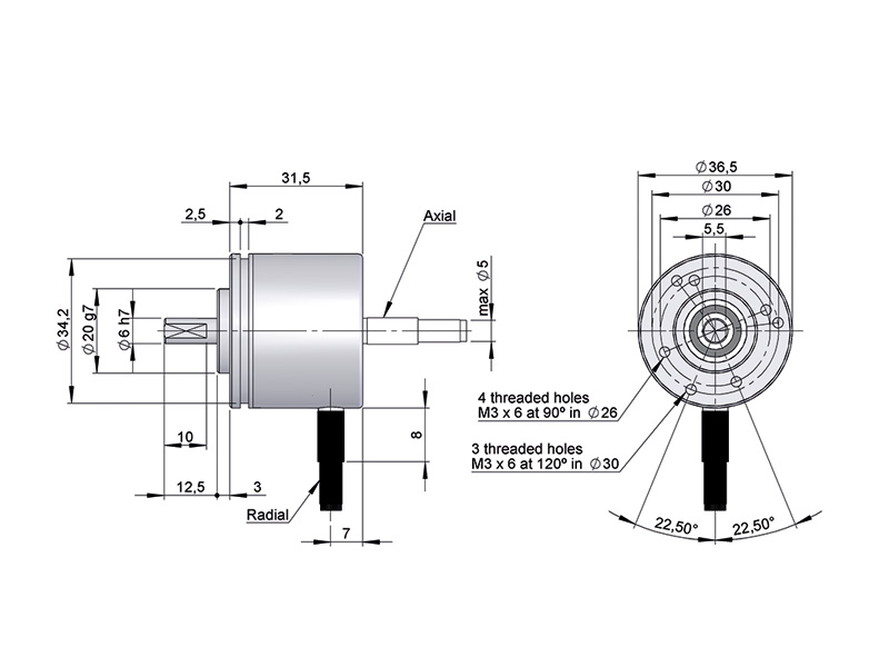
SERIE 36
The SERIE 36 is a miniature solid shaft optical encoder with resolution upto 10000 PPR. It is vibration and shock resistant and comes with IP65 protection class.
Variant Image

Variant Diagram

Selection Parameters
| Parameters | Min | Max |
|---|---|---|
| Shaft Diameter | 6 mm | |
| Voltage | 5 VDC | 30 VDC |
| Revolutions | 6000 rpm | |
| Temperature | -20 °C | 80 °C |
Variant Applications
| Machines / Applications |
|---|
| Cranes and Heavy Lifting Equipment |
| Steel Mill |
| Filling And Packaging Machines |
| Industries |
|---|
| Packaging Equipment Manufacturer |
| Material Handling Equipment Manufacturer |
| Textile Equipment Manufacturer |
| Steel & Aluminium Manufacturer |
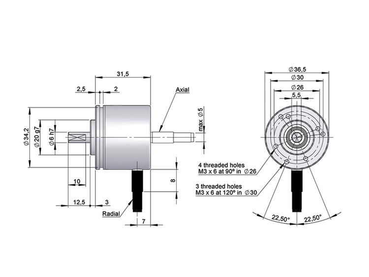
SERIE 36
The SERIE 36 is a miniature solid shaft optical encoder with resolution upto 10000 PPR. It is vibration and shock resistant and comes with IP65 protection class.
Variant Image
Variant Diagram
Selection Parameters
| Parameters | Min | Max |
|---|---|---|
| Shaft Diameter | 6 mm | |
| Voltage | 5 VDC | 30 VDC |
| Revolutions | 6000 rpm | |
| Temperature | -20 °C | 80 °C |
Variant Applications
| Machines / Applications |
|---|
| Cranes and Heavy Lifting Equipment |
| Steel Mill |
| Filling And Packaging Machines |
| Industries |
|---|
| Packaging Equipment Manufacturer |
| Material Handling Equipment Manufacturer |
| Textile Equipment Manufacturer |
| Steel & Aluminium Manufacturer |

