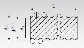
Ball Screw Spindles
Maedler has rolled Ball screw spindles in T7 accuracy. Sizes from 8x2 to 63x10 are available.
Ball Screw Spindles
Maedler has rolled Ball screw spindles in T7 accuracy. Sizes from 8x2 to 63x10 are available.
Selection Parameters
| Parameters | Min | Max |
|---|---|---|
| Diameter | 8 mm | 63 mm |
| Lead | 2 mm | 32 mm |
| Length | 245 mm | 3000 mm |

