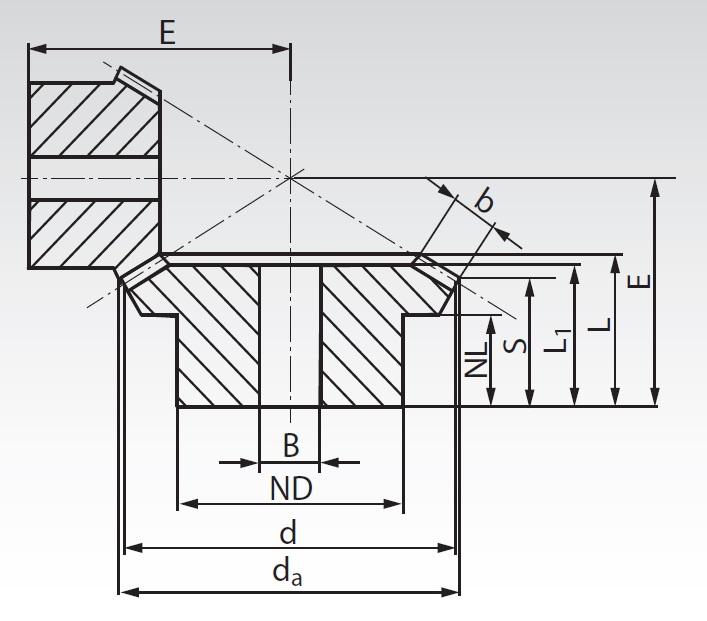
Bevel Gears
Maedler Bevel Gears are available in straight and spiral tooth systems. It is available in different gear ratios upto 5:1.
Bevel Gears
Maedler Bevel Gears are available in straight and spiral tooth systems. It is available in different gear ratios upto 5:1.
Ex-Stock Availability
Selection Parameters
| Parameters | Min | Max |
|---|---|---|
| Gear Ratio | 1:1 | 5.1 |
| Module | 0.5 | 8 |
| Temperature Range | -20°C | +140°C |
| No. of Teeth | 10 | 60 |
Machines / Applications
| SPM |
| Cement Equipments |
| Packaging Machines |
Industries
| Cement Manufacturer |
| Defence Industry |
| Packaging Equipment Manufacturer |
| Printing Equipments Manufacturer |

