Madler Drill Bushes
Maedler has different types of bushes like sintered bronze bushes, slotted bushes, plastic bushes, drill bushes, etc.
Variant Image

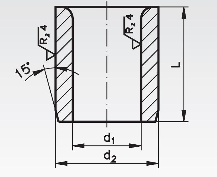
Variant Diagram

Selection Parameters
| Parameters | Min | Max |
|---|---|---|
| Outer Diameter | 7 mm | 42 mm |
| Inner Diameter | 4 mm | 30 mm |
| Length | 8 mm | 25 mm |
Variant Applications
| Machines / Applications |
|---|
| Packaging Machines |
| Moulding Machines |
| Industries |
|---|
| Automotive |
| Packaging |
| Moulding Machine Manufacturer |
Madler Drill Bushes
Maedler has different types of bushes like sintered bronze bushes, slotted bushes, plastic bushes, drill bushes, etc.
Variant Image
Variant Diagram
Selection Parameters
| Parameters | Min | Max |
|---|---|---|
| Outer Diameter | 7 mm | 42 mm |
| Inner Diameter | 4 mm | 30 mm |
| Length | 8 mm | 25 mm |
Variant Applications
| Machines / Applications |
|---|
| Packaging Machines |
| Moulding Machines |
| Industries |
|---|
| Automotive |
| Packaging |
| Moulding Machine Manufacturer |

