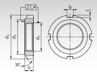
Locknuts
Maedler Locknuts are used for unsafe, quickly loosen applications or a safe connection with an additional lockwasher.
Locknuts
Maedler Locknuts are used for unsafe, quickly loosen applications or a safe connection with an additional lockwasher.
Ex-Stock Availability
Selection Parameters
| Parameters | Min | Max |
|---|---|---|
| Thread d x p | M8 x 0.75 | M100 x 2 |

