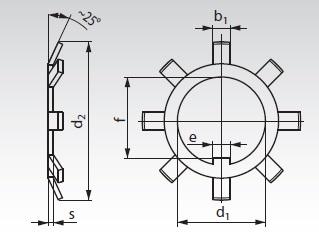
Lockwasher
Maedler Lockwashers are used for a safe connection with locknut.
Lockwasher
Maedler Lockwashers are used for a safe connection with locknut.
Ex-Stock Availability
Selection Parameters
| Parameters | Min | Max |
|---|---|---|
| Inner Diameter | 10 mm | 100 mm |
| Outer Diameter | 21 mm | 142 mm |
Industries
| Steel & Aluminium Manufacturer |

