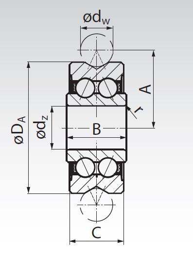
Profiled Track Rollers LFR
Maedler has Profiled Track Rollers which are also known as track roller bearings. The pressure angle is 30°.
Profiled Track Rollers LFR
Maedler has Profiled Track Rollers which are also known as track roller bearings. The pressure angle is 30°.
Ex-Stock Availability
Selection Parameters
| Parameters | Min | Max |
|---|---|---|
| Inner Diameter | 5 mm | 40 mm |
| Outer Diameter | 16 mm | 98 mm |
| Profile Diameter | 4 mm | 40 mm |
| Temperature | -30°C | 90°C |
| Effective Dynamical Bearing Load Rate | 1.2 KN | 54.8 KN |
| Effective Statical Bearing Load Rate | 0.86 KN | 29 KN |

