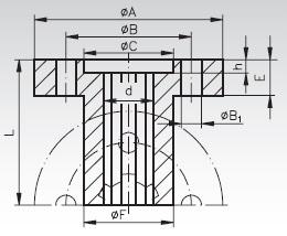
Splined Hubs
Maedler Spline Hubs (DIN ISO 14) are made up of Steel C45Pb, Red brass Rg7, Stainless steel 1.4305 and available with flange or without flange. Clamp collars for spline hubs (DIN ISO 14) are also available.
Splined Hubs
Maedler Spline Hubs (DIN ISO 14) are made up of Steel C45Pb, Red brass Rg7, Stainless steel 1.4305 and available with flange or without flange. Clamp collars for spline hubs (DIN ISO 14) are also available.
Ex-Stock Availability
Selection Parameters
| Parameters | Min | Max |
|---|---|---|
| Outer Diameter | 20 mm | 100 mm |
| No. of Splines | 6 | 8 |
Machines / Applications
| Polishing Machine (SPM) GmbH |
| Moulding Machines |
Industries
| Electronic Part Manufacturer |
| Packaging Equipment Manufacturer |

