NexGen RIM TACH 8500
NexGen RIM TACH 8500 is a bearingless encoder with expanded resolution upto 2400 PPR. It has optimized pulse wheel for greater shaft holding force.
Variant Image

Variant Diagram

Selection Parameters
| Parameters | Min | Max |
|---|---|---|
| Shaft Diameter | 5/8 inch / 16 mm | 2-7/8 inch / 80 mm |
| Input Voltage | 5 VDC | 26 VDC |
| Revolutions | 60 PPR | 2400 PPR |
| Temperature | -40 °C | 100 °C |
Variant Applications
| Machines / Applications |
|---|
| Printing Equipment |
| Medical Equipment |
| Pickling Equipment |
| CNC Machines |
| Processing Equipment |
| Industries |
|---|
| Automation Equipment Manufacturer |
| Pharma Plant & Equipment Manufacturer |
| Automobile Manufacturer |
| Steel & Aluminium Manufacturer |
| Paper Manufacturing |
NexGen RIM TACH 8500
NexGen RIM TACH 8500 is a bearingless encoder with expanded resolution upto 2400 PPR. It has optimized pulse wheel for greater shaft holding force.
Variant Image
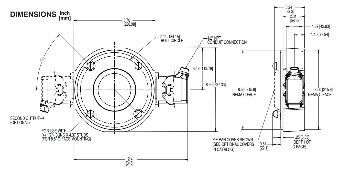
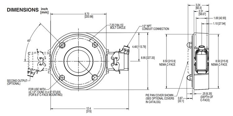
Variant Diagram
Selection Parameters
| Parameters | Min | Max |
|---|---|---|
| Shaft Diameter | 5/8 inch / 16 mm | 2-7/8 inch / 80 mm |
| Input Voltage | 5 VDC | 26 VDC |
| Revolutions | 60 PPR | 2400 PPR |
| Temperature | -40 °C | 100 °C |
Variant Applications
| Machines / Applications |
|---|
| Printing Equipment |
| Medical Equipment |
| Pickling Equipment |
| CNC Machines |
| Processing Equipment |
| Industries |
|---|
| Automation Equipment Manufacturer |
| Pharma Plant & Equipment Manufacturer |
| Automobile Manufacturer |
| Steel & Aluminium Manufacturer |
| Paper Manufacturing |

