SLIM TACH ST85
Series SLIM TACH ST85 is a bearingless encoder with anodized aluminium housing with field serviceable connector. The design with Magneto-Resistive technology protects from dirt, oil, dust and water etc. It is available with single or dual isolated outputs.
Variant Image

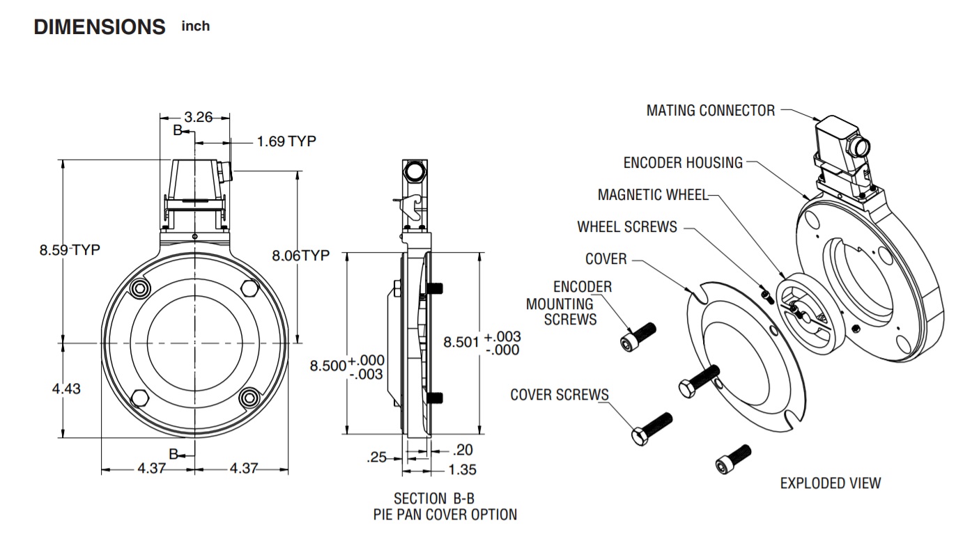
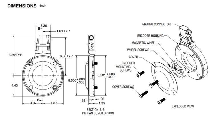
Variant Diagram

Selection Parameters
| Parameters | Min | Max |
|---|---|---|
| Shaft Diameter | 5/8 inch / 16 mm | 2-7/8 inch / 80 mm |
| Input Voltage | 5 VDC | 26 VDC |
| Revolutions | 64 PPR | 2048 PPR |
| Temperature | -40 °C | 100 °C |
Variant Applications
| Machines / Applications |
|---|
| Printing Equipment |
| Medical Equipment |
| Pickling Equipment |
| CNC Machines |
| Processing Equipment |
| Industries |
|---|
| Automation Equipment Manufacturer |
| Pharma Plant & Equipment Manufacturer |
| Automobile Manufacturer |
| Steel & Aluminium Manufacturer |
| Paper Manufacturing |
SLIM TACH ST85
Series SLIM TACH ST85 is a bearingless encoder with anodized aluminium housing with field serviceable connector. The design with Magneto-Resistive technology protects from dirt, oil, dust and water etc. It is available with single or dual isolated outputs.
Variant Image
Variant Diagram
Selection Parameters
| Parameters | Min | Max |
|---|---|---|
| Shaft Diameter | 5/8 inch / 16 mm | 2-7/8 inch / 80 mm |
| Input Voltage | 5 VDC | 26 VDC |
| Revolutions | 64 PPR | 2048 PPR |
| Temperature | -40 °C | 100 °C |
Variant Applications
| Machines / Applications |
|---|
| Printing Equipment |
| Medical Equipment |
| Pickling Equipment |
| CNC Machines |
| Processing Equipment |
| Industries |
|---|
| Automation Equipment Manufacturer |
| Pharma Plant & Equipment Manufacturer |
| Automobile Manufacturer |
| Steel & Aluminium Manufacturer |
| Paper Manufacturing |

