Series HS60
Series HS60 is a hollow shaft encoder with multi stage sealing. It has dual split clamping collar for positive shaft engagement.
Variant Image

Variant Diagram

Selection Parameters
| Parameters | Min | Max |
|---|---|---|
| Shaft Diameter | 1-1/8 inch | 2-7/8 inch |
| Input Voltage | 5 VDC | 26 VDC |
| Revolutions | 64 PPR | 2048 PPR |
| Temperature | -20 °C | 80 °C |
Variant Applications
| Machines / Applications |
|---|
| Printing Equipment |
| Medical Equipment |
| Pickling Equipment |
| CNC Machines |
| Processing Equipment |
| Industries |
|---|
| Automation Equipment Manufacturer |
| Pharma Plant & Equipment Manufacturer |
| Automobile Manufacturer |
| Steel & Aluminium Manufacturer |
| Paper Manufacturing |
Series HS60
Series HS60 is a hollow shaft encoder with multi stage sealing. It has dual split clamping collar for positive shaft engagement.
Variant Image
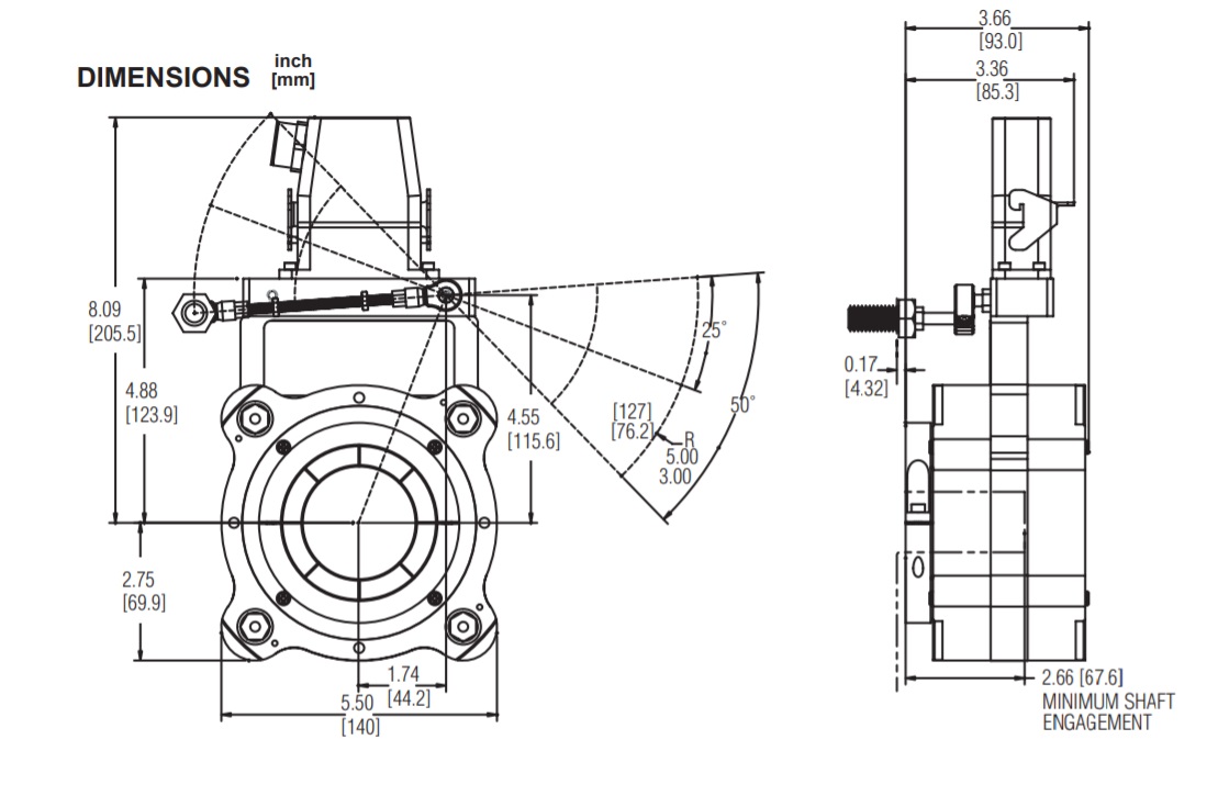
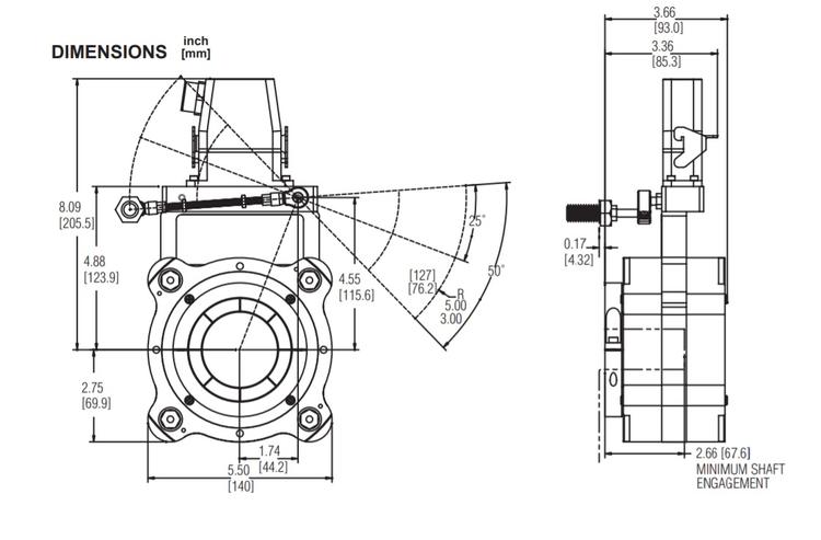
Variant Diagram
Selection Parameters
| Parameters | Min | Max |
|---|---|---|
| Shaft Diameter | 1-1/8 inch | 2-7/8 inch |
| Input Voltage | 5 VDC | 26 VDC |
| Revolutions | 64 PPR | 2048 PPR |
| Temperature | -20 °C | 80 °C |
Variant Applications
| Machines / Applications |
|---|
| Printing Equipment |
| Medical Equipment |
| Pickling Equipment |
| CNC Machines |
| Processing Equipment |
| Industries |
|---|
| Automation Equipment Manufacturer |
| Pharma Plant & Equipment Manufacturer |
| Automobile Manufacturer |
| Steel & Aluminium Manufacturer |
| Paper Manufacturing |

