Series HSD35
Series HSD35 is a heavy duty optical encoder having rugged design that resists upto 400G shock. It has dual isolated output option.
Variant Image

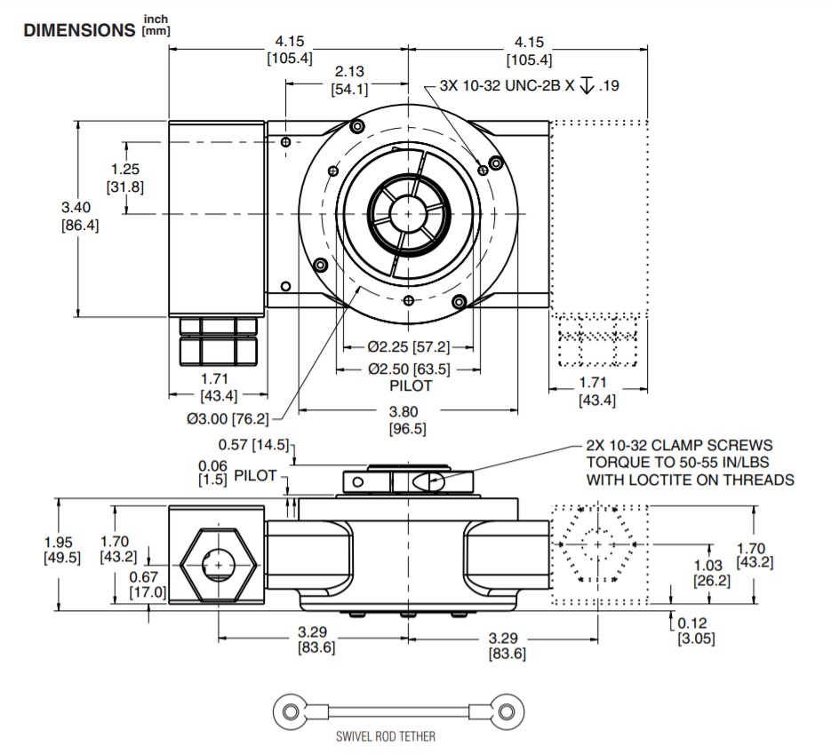
Variant Diagram

Selection Parameters
| Parameters | Min | Max |
|---|---|---|
| Shaft Diameter | 1/4 inch / 6 mm | 1-1/4 inch / 28 mm |
| Input Voltage | 5 VDC | 26 VDC |
| Revolutions | 1 PPR | 5000 PPR |
| Temperature | -40 °C | 100 °C |
Variant Applications
| Machines / Applications |
|---|
| Printing Equipment |
| Medical Equipment |
| Pickling Equipment |
| CNC Machines |
| Processing Equipment |
| Industries |
|---|
| Automation Equipment Manufacturer |
| Automation Equipment Manufacturer |
| Automobile Manufacturer |
| Steel & Aluminium Manufacturer |
| Paper Manufacturing |
Series HSD35
Series HSD35 is a heavy duty optical encoder having rugged design that resists upto 400G shock. It has dual isolated output option.
Variant Image
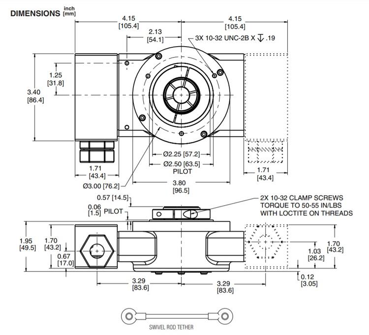
Variant Diagram
Selection Parameters
| Parameters | Min | Max |
|---|---|---|
| Shaft Diameter | 1/4 inch / 6 mm | 1-1/4 inch / 28 mm |
| Input Voltage | 5 VDC | 26 VDC |
| Revolutions | 1 PPR | 5000 PPR |
| Temperature | -40 °C | 100 °C |
Variant Applications
| Machines / Applications |
|---|
| Printing Equipment |
| Medical Equipment |
| Pickling Equipment |
| CNC Machines |
| Processing Equipment |
| Industries |
|---|
| Automation Equipment Manufacturer |
| Automation Equipment Manufacturer |
| Automobile Manufacturer |
| Steel & Aluminium Manufacturer |
| Paper Manufacturing |

