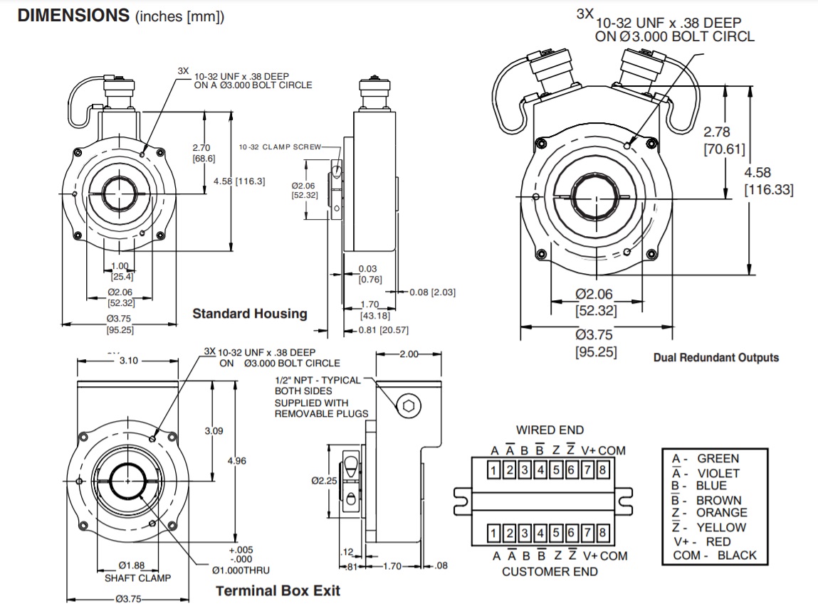
Series HSD37
Series HSD37 is a harsh duty optical encoder with unbreakable code disc upto 5000 PPR. It comes with IP67 sealing. It has 400G shock and 20G vibration independently validated.
Variant Image

Variant Diagram

Selection Parameters
| Parameters | Min | Max |
|---|---|---|
| Shaft Diameter | 1/4 inch / 6 mm | 1 inch / 25 mm |
| Input Voltage | 5 VDC | 26 VDC |
| Revolutions | 15 PPR | 5000 PPR |
| Temperature | -40 °C | 100 °C |
Variant Applications
| Machines / Applications |
|---|
| Printing Equipment |
| Medical Equipment |
| Pickling Equipment |
| CNC Machines |
| Processing Equipment |
| Industries |
|---|
| Automation Equipment Manufacturer |
| Pharma Plant & Equipment Manufacturer |
| Automobile Manufacturer |
| Steel & Aluminium Manufacturer |
| Paper Manufacturing |
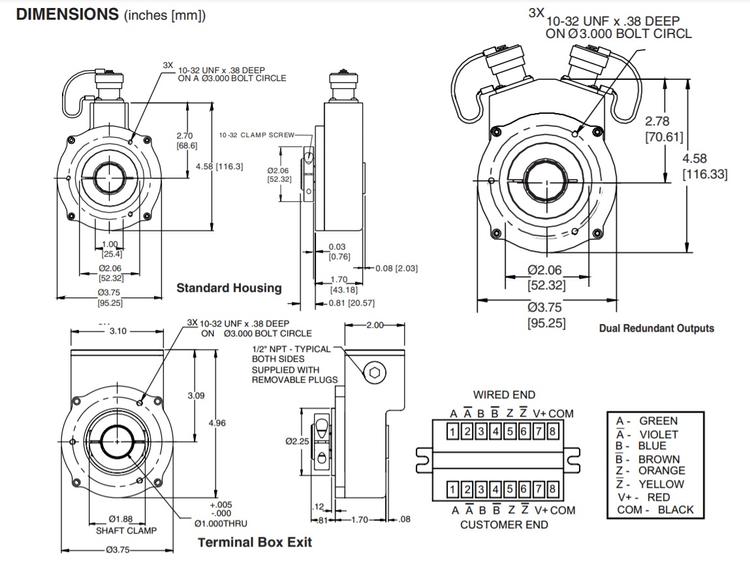
Series HSD37
Series HSD37 is a harsh duty optical encoder with unbreakable code disc upto 5000 PPR. It comes with IP67 sealing. It has 400G shock and 20G vibration independently validated.
Variant Image
Variant Diagram
Selection Parameters
| Parameters | Min | Max |
|---|---|---|
| Shaft Diameter | 1/4 inch / 6 mm | 1 inch / 25 mm |
| Input Voltage | 5 VDC | 26 VDC |
| Revolutions | 15 PPR | 5000 PPR |
| Temperature | -40 °C | 100 °C |
Variant Applications
| Machines / Applications |
|---|
| Printing Equipment |
| Medical Equipment |
| Pickling Equipment |
| CNC Machines |
| Processing Equipment |
| Industries |
|---|
| Automation Equipment Manufacturer |
| Pharma Plant & Equipment Manufacturer |
| Automobile Manufacturer |
| Steel & Aluminium Manufacturer |
| Paper Manufacturing |

