Series H56
Series H56 is a heavy duty encoder with rugged enclosure rating IP66. It comes with large outer bearings that isolate shaft loads.
Variant Image

Variant Diagram

Selection Parameters
| Parameters | Min | Max |
|---|---|---|
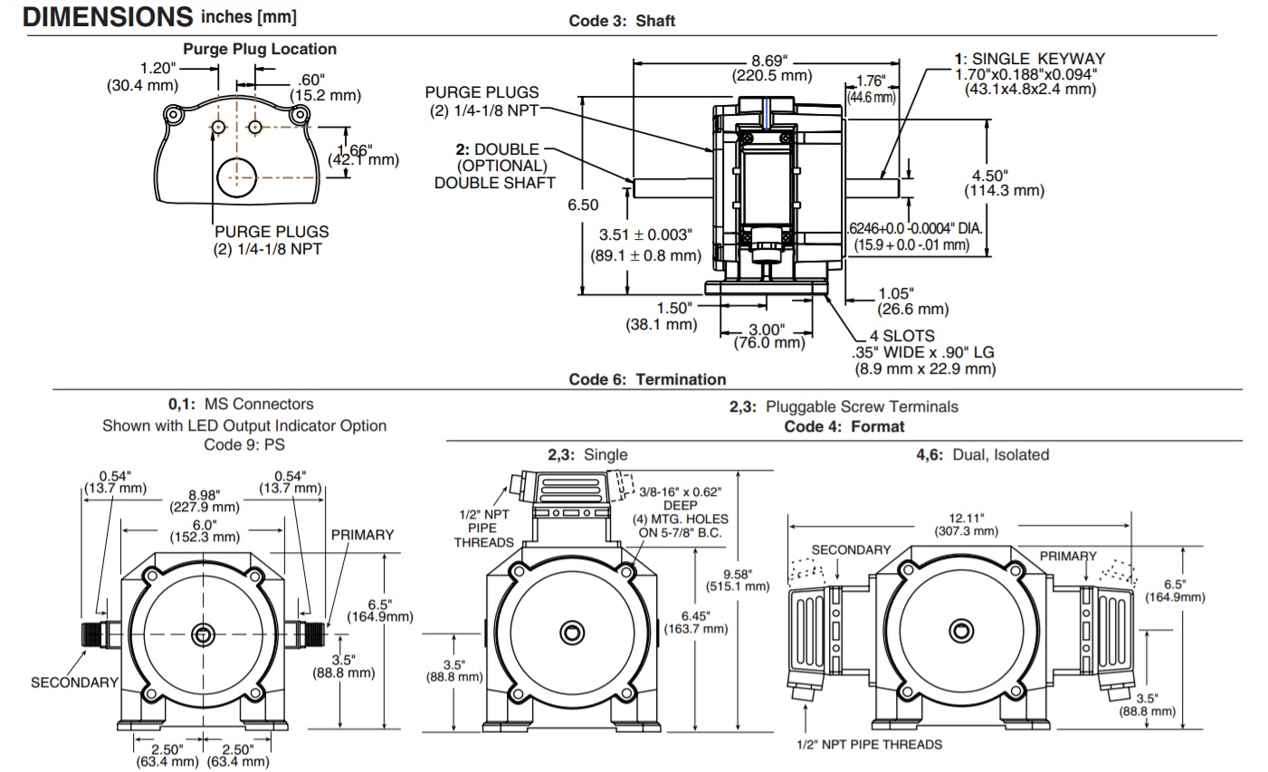
| Shaft Diameter | 5/8 inch | - |
| Input Voltage | 5 VDC | 26 VDC |
| Revolutions | 1 PPR | 5000 PPR |
| Temperature | -40 °C | 80 °C |
Variant Applications
| Machines / Applications |
|---|
| Paper Machines |
| Extruder |
| Pickling Equipment |
| Pipe and Handling Cranes |
| Processing Equipment |
| Industries |
|---|
| Oil, Gas Exploration & Refinery |
| Mining |
| Automobile Manufacturer |
| Steel & Aluminium Manufacturer |
| Paper Manufacturing |
Series H56
Series H56 is a heavy duty encoder with rugged enclosure rating IP66. It comes with large outer bearings that isolate shaft loads.
Variant Image
Variant Diagram
Selection Parameters
| Parameters | Min | Max |
|---|---|---|
| Shaft Diameter | 5/8 inch | - |
| Input Voltage | 5 VDC | 26 VDC |
| Revolutions | 1 PPR | 5000 PPR |
| Temperature | -40 °C | 80 °C |
Variant Applications
| Machines / Applications |
|---|
| Paper Machines |
| Extruder |
| Pickling Equipment |
| Pipe and Handling Cranes |
| Processing Equipment |
| Industries |
|---|
| Oil, Gas Exploration & Refinery |
| Mining |
| Automobile Manufacturer |
| Steel & Aluminium Manufacturer |
| Paper Manufacturing |

