Series HD35R
Series HD35R is a heavy duty encoder which comes with unbreakable code disc upto 5000 PPR. The improved sealed design ensures moisture resistance.
Variant Image

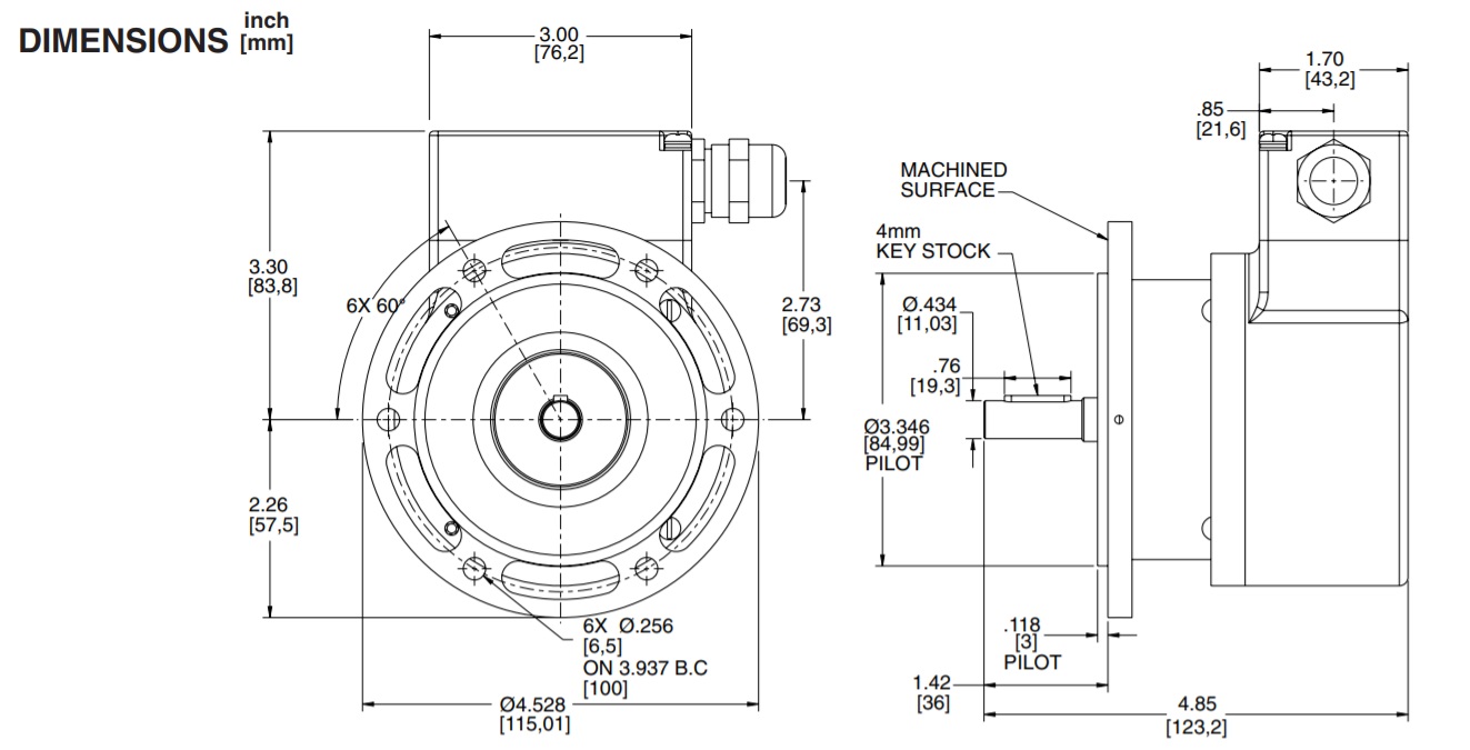
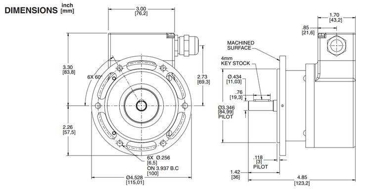
Variant Diagram

Selection Parameters
| Parameters | Min | Max |
|---|---|---|
| Shaft Diameter | 11 mm | - |
| Input Voltage | 5 VDC | 26 VDC |
| Revolutions | 1 PPR | 5000 PPR |
| Temperature | -40 °C | 85 °C |
Variant Applications
| Machines / Applications |
|---|
| Paper Machines |
| Extruder |
| Pickling Equipment |
| Pipe and Handling Cranes |
| Processing Equipment |
| Industries |
|---|
| Oil, Gas Exploration & Refinery |
| Mining |
| Automobile Manufacturer |
| Steel & Aluminium Manufacturer |
| Paper Manufacturing |
Series HD35R
Series HD35R is a heavy duty encoder which comes with unbreakable code disc upto 5000 PPR. The improved sealed design ensures moisture resistance.
Variant Image
Variant Diagram
Selection Parameters
| Parameters | Min | Max |
|---|---|---|
| Shaft Diameter | 11 mm | - |
| Input Voltage | 5 VDC | 26 VDC |
| Revolutions | 1 PPR | 5000 PPR |
| Temperature | -40 °C | 85 °C |
Variant Applications
| Machines / Applications |
|---|
| Paper Machines |
| Extruder |
| Pickling Equipment |
| Pipe and Handling Cranes |
| Processing Equipment |
| Industries |
|---|
| Oil, Gas Exploration & Refinery |
| Mining |
| Automobile Manufacturer |
| Steel & Aluminium Manufacturer |
| Paper Manufacturing |

