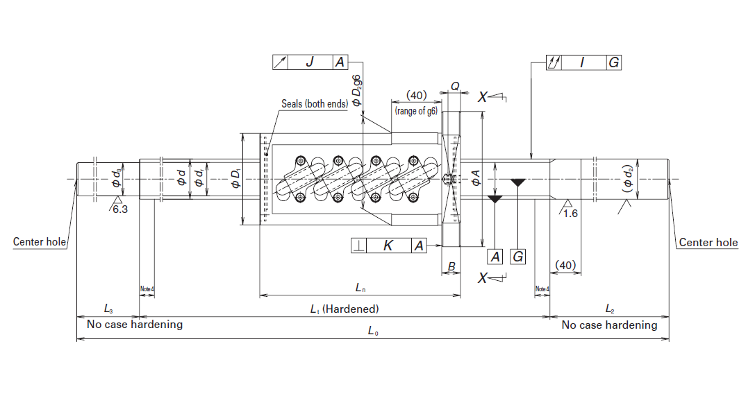
Blank shaft end high-speed SS Series
NSK ball screws use Gothic arch grooves to minimize the clearance between the balls and grooves, hence the backlash is minimized without applying preload.
Variant Image

Variant Diagram

Selection Parameters
| Parameters | Min | Max |
|---|---|---|
| Screw Diameter | 32 mm | 50 mm |
| Lead | 5 mm | 12 mm |
| Dynamic load | 18500 N | 77600 N |
| Static load | 56100 N | 214000 N |
Variant Applications
| Machines / Applications |
|---|
| Industries |
|---|
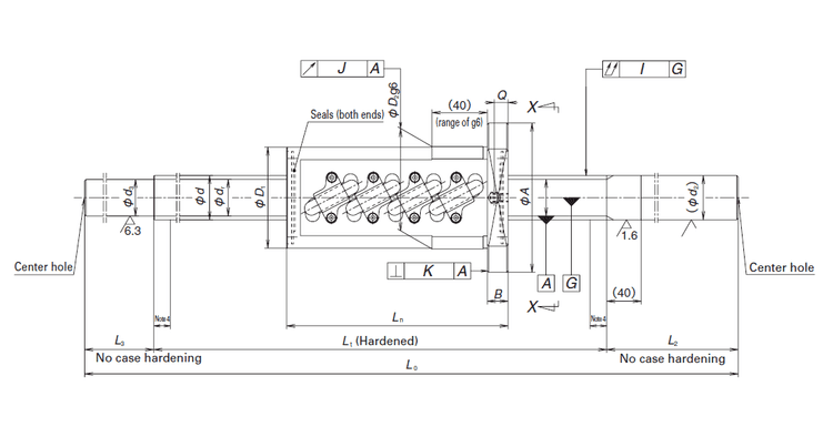
Blank shaft end high-speed SS Series
NSK ball screws use Gothic arch grooves to minimize the clearance between the balls and grooves, hence the backlash is minimized without applying preload.
Variant Image
Variant Diagram
Selection Parameters
| Parameters | Min | Max |
|---|---|---|
| Screw Diameter | 32 mm | 50 mm |
| Lead | 5 mm | 12 mm |
| Dynamic load | 18500 N | 77600 N |
| Static load | 56100 N | 214000 N |
Variant Applications
| Machines / Applications |
|---|
| Industries |
|---|

