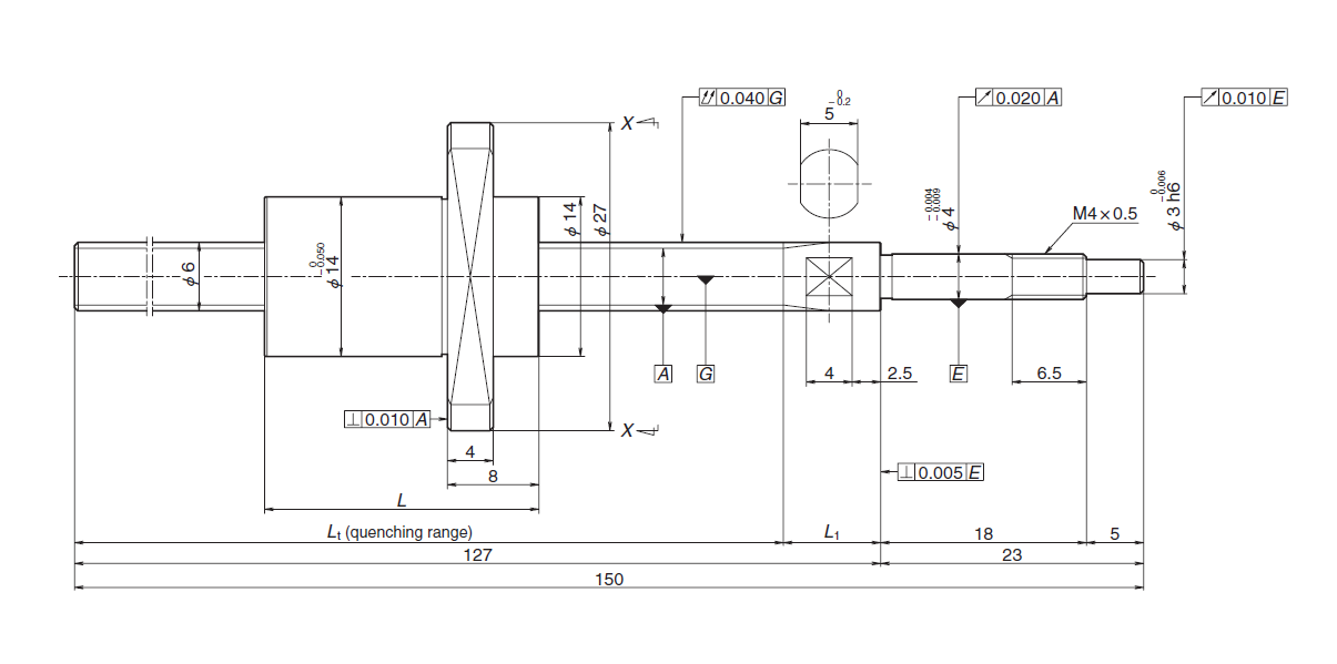
Finished shaft end compact FA Series
NSK Ball Screws come with minimum backlash without the application of preloading methods. The Gothic arc profile minimizes the clearance between the ball and the grooves leading to backlash minimization.
Variant Image

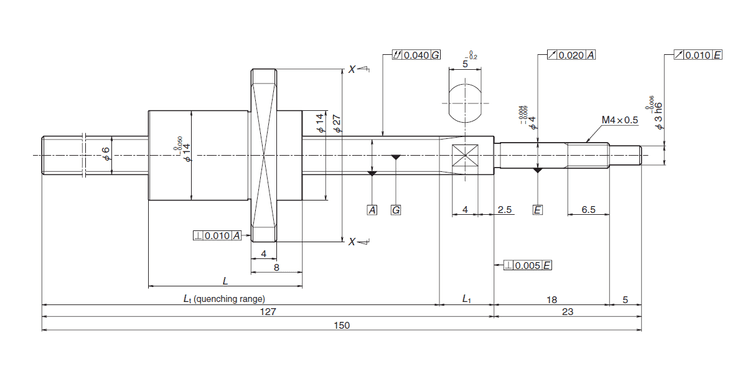
Variant Diagram

Selection Parameters
| Parameters | Min | Max |
|---|---|---|
| Screw Diamater | 6 mm | 25 mm |
| Lead | 8 mm | 50 mm |
| Dynamic Load | 550 N | 12800 N |
| Static Load | 715 N | 32200 N |
Variant Applications
| Machines / Applications |
|---|
| Makino Machines |
| Mazak Machines |
| Jyoti CNC Machines |
| Mori Seiki Machines |
| Kamatsu Machines |
| BFW Machines |
| Industries |
|---|
| Automobile Industries Manufacturer |
| Machine Tools Manufacturer |
| Automation Industries Manufacturer |
Finished shaft end compact FA Series
NSK Ball Screws come with minimum backlash without the application of preloading methods. The Gothic arc profile minimizes the clearance between the ball and the grooves leading to backlash minimization.
Variant Image
Variant Diagram
Selection Parameters
| Parameters | Min | Max |
|---|---|---|
| Screw Diamater | 6 mm | 25 mm |
| Lead | 8 mm | 50 mm |
| Dynamic Load | 550 N | 12800 N |
| Static Load | 715 N | 32200 N |
Variant Applications
| Machines / Applications |
|---|
| Makino Machines |
| Mazak Machines |
| Jyoti CNC Machines |
| Mori Seiki Machines |
| Kamatsu Machines |
| BFW Machines |
| Industries |
|---|
| Automobile Industries Manufacturer |
| Machine Tools Manufacturer |
| Automation Industries Manufacturer |

