Finished Shaft End VFA Type for Transfer Equipment
NSK Ball Screws use Gothic arch grooves to minimize the clearance between the balls and grooves, hence the backlash is minimized without applying preload.
Variant Image

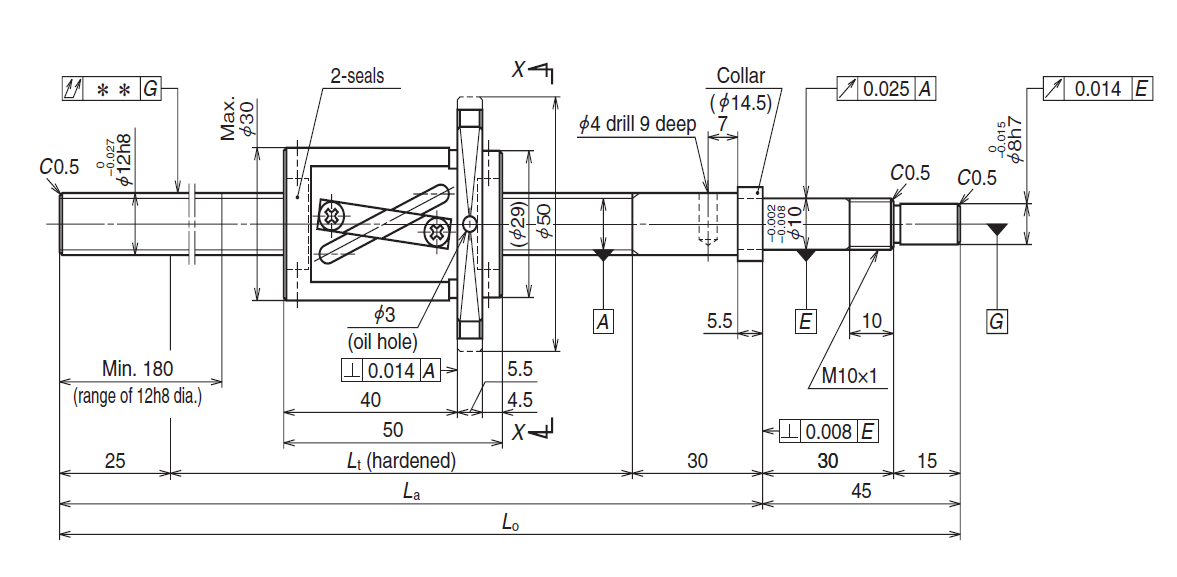
Variant Diagram

Selection Parameters
| Parameters | Min | Max |
|---|---|---|
| Screw Diameter | 12 mm | 15 mm |
| Lead | 10 mm | 20 mm |
| Dynamic Load | 3750 N | 7070 N |
| Static Load | 6480 N | 12800 N |
Variant Applications
| Machines / Applications |
|---|
| Makino Machines |
| Mazak Machines |
| Jyoti CNC Machines |
| Mori Seiki Machines |
| Kamatsu Machines |
| BFW Machines |
| Industries |
|---|
| Automobile Industries Manufacturer |
| Machine Tools Manufacturer |
| Automation Industries Manufacturer |
| Tyre Industries |
Finished Shaft End VFA Type for Transfer Equipment
NSK Ball Screws use Gothic arch grooves to minimize the clearance between the balls and grooves, hence the backlash is minimized without applying preload.
Variant Image
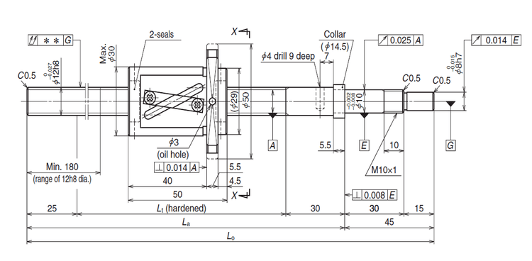
Variant Diagram
Selection Parameters
| Parameters | Min | Max |
|---|---|---|
| Screw Diameter | 12 mm | 15 mm |
| Lead | 10 mm | 20 mm |
| Dynamic Load | 3750 N | 7070 N |
| Static Load | 6480 N | 12800 N |
Variant Applications
| Machines / Applications |
|---|
| Makino Machines |
| Mazak Machines |
| Jyoti CNC Machines |
| Mori Seiki Machines |
| Kamatsu Machines |
| BFW Machines |
| Industries |
|---|
| Automobile Industries Manufacturer |
| Machine Tools Manufacturer |
| Automation Industries Manufacturer |
| Tyre Industries |

