NSK Flexible Nozzle (NZ5)
The Nozzles are attached to the Hand Grease Pump for the application of grease. Different nozzles are used for different types of grease fittings, also used for linear guides with no grease fittings.
Variant Image

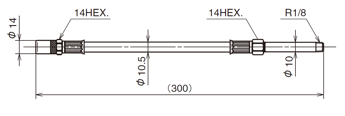
Variant Diagram

Selection Parameters
| Parameters | Min | Max |
|---|---|---|
| Length | 300 mm | 300 mm |
Variant Applications
| Machines / Applications |
|---|
| The tip of the flexible nozzle is chuck nozzle. Used to supply grease to the area where hand cannot reach. |
| Industries |
|---|
| NC Lathes |
| Machining Centers |
| Heavy Cutting Machine Tools |
| Packaging Equipment Manufacturer |
NSK Flexible Nozzle (NZ5)
The Nozzles are attached to the Hand Grease Pump for the application of grease. Different nozzles are used for different types of grease fittings, also used for linear guides with no grease fittings.
Variant Image
Variant Diagram
Selection Parameters
| Parameters | Min | Max |
|---|---|---|
| Length | 300 mm | 300 mm |
Variant Applications
| Machines / Applications |
|---|
| The tip of the flexible nozzle is chuck nozzle. Used to supply grease to the area where hand cannot reach. |
| Industries |
|---|
| NC Lathes |
| Machining Centers |
| Heavy Cutting Machine Tools |
| Packaging Equipment Manufacturer |

