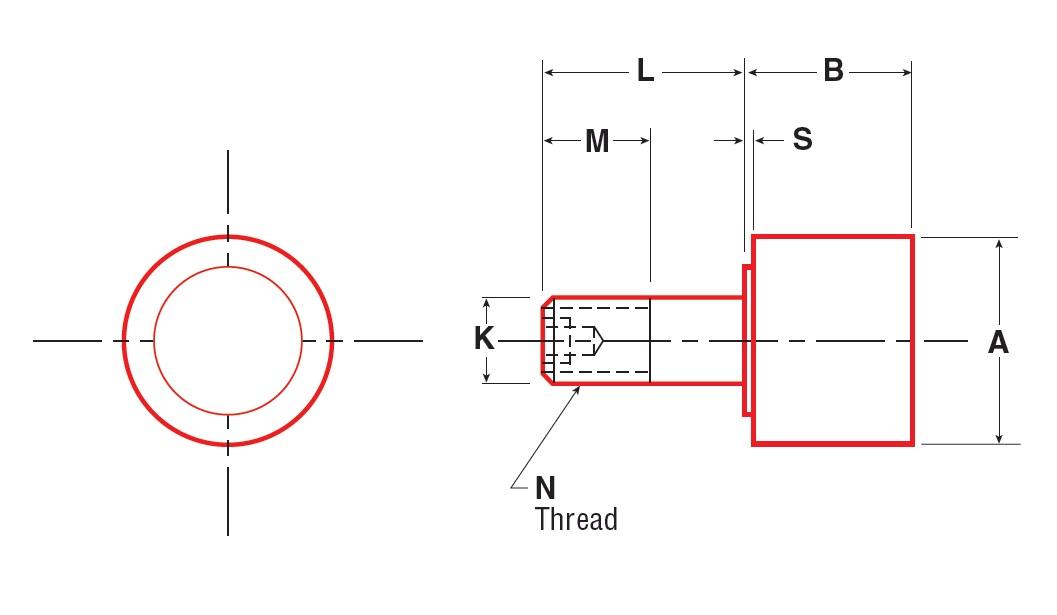
Cam Runner
Osborn Cam runners are significantly different from conventional needle-bearing cam followers. These are lifetime lubricated and are thrust load tolerant. These are interchangeable with conventional steel cam followers.
Cam Runner
Osborn Cam runners are significantly different from conventional needle-bearing cam followers. These are lifetime lubricated and are thrust load tolerant. These are interchangeable with conventional steel cam followers.
Selection Parameters
| Parameters | Min | Max |
|---|---|---|
| Roller Diameter | 0.5 inch | 1.625 inch |
| Roller Width | 0.406 inch | 0.938 inch |
| Thread | 10-32 | 5/8-18 |
| Thread Length | 0.25 inch | 0.75 inch |
| Stud Diameter | 0.188 inch | 0.625 inch |
| Stud Length | 0.625 inch | 1.5 inch |
| Radial Load Static Limit | 110 lbs | 1800 lbs |
Industries
| Steel & Aluminium Manufacturer |
| Oil, Gas Exploration & Refinery |
| Automobile Manufacturer |
| Off-Highway |
| Mining |
| Kinetic Architecture |
| Food and Pharmaceutical |

