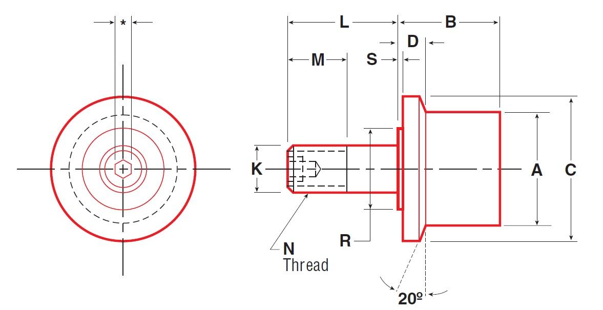
Flanged Concentric Stud Style (Metric)
Flanged Concentric Stud Style(metric) load runner consist of items such as HPJ-26, HPJ-30, HPJ-32, HPJ-35, HPJ-40, HPJ-40-1, HPJ-47, HPJ-50, HPJ-52, HPJ-62, HPJ-62-2, HPJ-72, HPJ-76, HPJ-80, HPJ-85, HPJ-90, HPJ-100, HPJ-100-1, HPJ-125, HPJ-150, HPJ-200.
Flanged Concentric Stud Style (Metric)
Flanged Concentric Stud Style(metric) load runner consist of items such as HPJ-26, HPJ-30, HPJ-32, HPJ-35, HPJ-40, HPJ-40-1, HPJ-47, HPJ-50, HPJ-52, HPJ-62, HPJ-62-2, HPJ-72, HPJ-76, HPJ-80, HPJ-85, HPJ-90, HPJ-100, HPJ-100-1, HPJ-125, HPJ-150, HPJ-200.
Ex-Stock Availability
Selection Parameters
| Parameters | Min | Max |
|---|---|---|
| Roller Diameter | 26mm | 200mm |
| Roller Width | 20mm | 76mm |
| Flange Diameter | 36mm | 223n |
| Flange Thickness | 5mm | 18.3mm |
| Stud Diameter | 10mm | 64mm |
| Stud Length | 23mm | 140mm |
| Radial Load static limit | 1000N | 250880N |
| Static Thrust | 62N | 147240N |
Industries
| Steel & Aluminium Manufacturer |
| Oil, Gas Exploration & Refinery |
| Automobile Manufacturer |
| Off-Highway |
| Mining |
| Kinetic Architecture |
| Food and Pharmaceutical |

