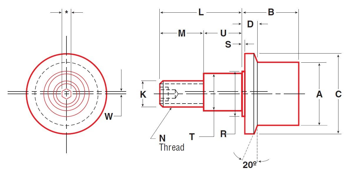
Flanged Eccentric Stud Style (Metric)
OSBORN Flanged Eccentric Stud Style(Metric) load runner consist of items such as HPJE-26, HPJE-30, HPJE-32, HPJE-35, HPJE-40-1, HPJE-50, HPJE-62-1, HPJE-76, HPJE-90, HPJE-100, HPJE-125, HPJE-150.
Flanged Eccentric Stud Style (Metric)
OSBORN Flanged Eccentric Stud Style(Metric) load runner consist of items such as HPJE-26, HPJE-30, HPJE-32, HPJE-35, HPJE-40-1, HPJE-50, HPJE-62-1, HPJE-76, HPJE-90, HPJE-100, HPJE-125, HPJE-150.
Selection Parameters
| Parameters | Min | Max |
|---|---|---|
| Roller Diameter | 26mm | 150mm |
| Roller Width | 20mm | 76mm |
| Flange Diameter | 35mm | 173mm |
| Flange Thickness | 5mm | 18.3mm |
| Stud Diameter | 10mm | 64mm |
| Stud Length | 23mm | 140mm |
| Radial Load static limit | 1000N | 250880N |
| Static Thrust | 620N | 147240N |
Industries
| Steel & Aluminium Manufacturer |
| Oil, Gas Exploration & Refinery |
| Automobile Manufacturer |
| Off-Highway |
| Mining |
| Kinetic Architecture |
| Food and Pharmaceutical |

