Flanged Yoke Style (Metric)
OSBORN Flanged Yoke Style(Metric) load runner consist of items such as HPJA-40, HPJA-50, HPJA-62, HPJA-62-2, HPJA-76, HPJA-80, HPJA-85, HPJA-90, HPJA-100, HPJA-125, HPJA-150, HPJA-200, HPJA-250.
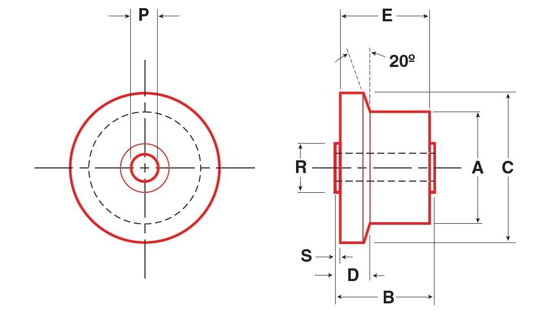
Flanged Yoke Style (Metric)
OSBORN Flanged Yoke Style(Metric) load runner consist of items such as HPJA-40, HPJA-50, HPJA-62, HPJA-62-2, HPJA-76, HPJA-80, HPJA-85, HPJA-90, HPJA-100, HPJA-125, HPJA-150, HPJA-200, HPJA-250.
Selection Parameters
| Parameters | Min | Max |
|---|---|---|
| Roller Diameter | 40 mm | 250 mm |
| Roller Width | 23 mm | 79 mm |
| Flange Diameter | 54 mm | 273 mm |
| Flange Thickness | 6 mm | 18.2 mm |
| Tread Width | 22 mm | 76 mm |
| Bore | 10 mm | 70 mm |
| Shoulder Diameter | 22 mm | 108 mm |
| Shoulder Length | 0.5 mm | 1.5 mm |
| Radial Load static limit | 3460 N | 354970 N |
| Static Thrust | 2140 N | 215920 N |
| Roller Diameter | 40 mm | 250 mm |
| Roller Width | 23 mm | 79 mm |
| Flange Diameter | 54 mm | 273 mm |
| Flange Thickness | 6 mm | 18.2 mm |
| Tread Width | 22 mm | 76 mm |
| Bore | 10 mm | 70 mm |
| Shoulder Diameter | 22 mm | 108 mm |
| Shoulder Length | 0.5 mm | 1.5 mm |
| Radial Load static limit | 3460 N | 354970 N |
| Static Thrust | 2140 N | 215920 N |
Industries
| Steel & Aluminium Manufacturer |
| Oil, Gas Exploration & Refinery |
| Automobile Manufacturer |
| Off-Highway |
| Mining |
| Kinetic Architecture |
| Food and Pharmaceutical |
| Steel & Aluminium Manufacturer |
| Oil, Gas Exploration & Refinery |
| Automobile Manufacturer |
| Off-Highway |
| Mining |
| Kinetic Architecture |
| Food and Pharmaceutical |


