Heavy-Duty Concentric Shafts for Yoke Style Idler-Rollers (Inch)
OSBORN Heavy-Duty Concentric Shafts for Yoke Style Idler-Rollers (Inch) load runner consist of items such as SHA-437, SHA-500, SHA-625, SHA-750, SHA-1000, SHA-1125, SHA-1250, SHA-1750, SHA-2250, SHA-2750, SHAB-3250, SHB-3750, SHB-4250.
Heavy-Duty Concentric Shafts for Yoke Style Idler-Rollers (Inch)
OSBORN Heavy-Duty Concentric Shafts for Yoke Style Idler-Rollers (Inch) load runner consist of items such as SHA-437, SHA-500, SHA-625, SHA-750, SHA-1000, SHA-1125, SHA-1250, SHA-1750, SHA-2250, SHA-2750, SHAB-3250, SHB-3750, SHB-4250.
Selection Parameters
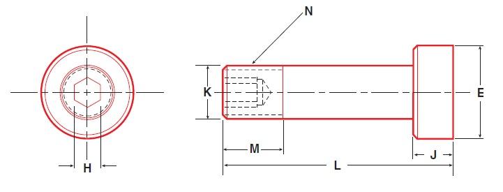
| Parameters | Min | Max |
|---|---|---|
| Head Diameter | 0.750 Inch | 6.50 Inch |
| Hex Size | 0.157 inch | 0.625 Inch |
| Head Length | 0.375 inch | 2.25 Inch |
| Shaft Diameter | 0.4375 Inch | 4.254 Inch |
| Thread | 7/16"-20 | 2-3/4"-12 |
Industries
| Steel & Aluminium Manufacturer |
| Oil, Gas Exploration & Refinery |
| Automobile Manufacturer |
| Off-Highway |
| Mining |
| Kinetic Architecture |
| Food and Pharmaceutical |

