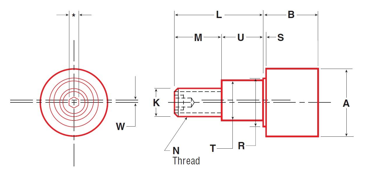
Stainless Steel Eccentric Stud Flanged (Inch)
OSBORN Stainless Steel Eccentric Stud V-grooved (inch) load runner consists of items such as FLRSE 1, FLRSE 1-1/4, FLRSE 1-1/2, FLRSE 2, FLRSE 2-1/2.
Stainless Steel Eccentric Stud Flanged (Inch)
OSBORN Stainless Steel Eccentric Stud V-grooved (inch) load runner consists of items such as FLRSE 1, FLRSE 1-1/4, FLRSE 1-1/2, FLRSE 2, FLRSE 2-1/2.
Selection Parameters
| Parameters | Min | Max |
|---|---|---|
| Roller Diameter | 1.5 inch | 2.5 inch |
| Roller Width | 0.781 inch | 1.312 inch |
| Point Diameter | 1.125 inch | 1.5 inch |
| Groove Location | 0.391 inch | 0.687 inch |
| Stud Diameter | 0.437 inch | 0.75 inch |
| Stud length | 1 inch | 1.75 inch |
| Radial Load static limit | 390 lbs | 1110 lbs |
| Static Thrust | 240 lbs | 690 lbs |
Industries
| Chemical Treatment |
| Tank Building |
| Food Processing |
| Aerospace |
| Marine |
| Waste Treatment |
| Pharma Plant & Equipment Manufacturer |

