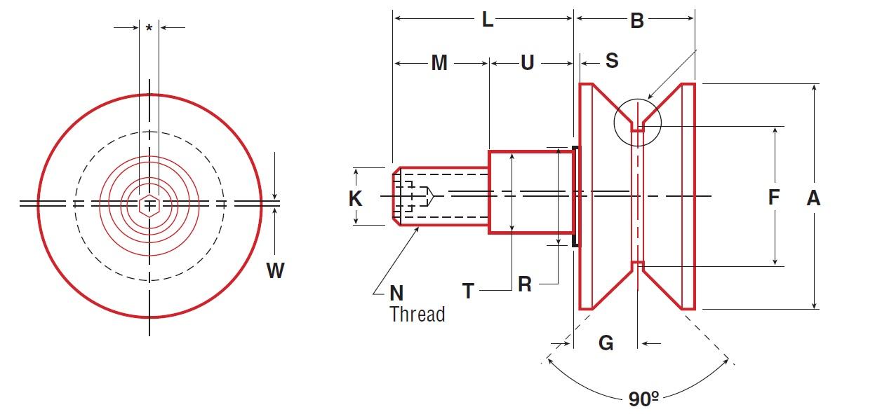
V-Grooved Eccentric Stud Style (Inch)
OSBORN V-Grooved Eccentric Stud Style(inch) load runner consist of items such as VLRE-1-1/2, VLRE-2, VLRE-2-1/2, VLRE-3-1/2, VLRE-3-1/2-4, VLRE-5-1/2,VLRE-6-1/2,VLRE-7-1/2.
V-Grooved Eccentric Stud Style (Inch)
OSBORN V-Grooved Eccentric Stud Style(inch) load runner consist of items such as VLRE-1-1/2, VLRE-2, VLRE-2-1/2, VLRE-3-1/2, VLRE-3-1/2-4, VLRE-5-1/2,VLRE-6-1/2,VLRE-7-1/2.
Selection Parameters
| Parameters | Min | Max |
|---|---|---|
| Roller Diameter | 1.5 inch | 7.5 inch |
| Roller Width | 0.781 inch | 3 inch |
| Point diameter | 1.125 inch | 6 inch |
| Groove location | 0.391 inch | 1.5 inch |
| Stud diameter | 0.437 inch | 2.5 inch |
| Stud length | 1 inch | 5.5 inch |
| Radial Load static limit | 230 ibs | 538960 ibs |
| Static Thrust | 140 ibs | 26930 ibs |
Machines / Applications
| Coiled Tubing |
| Injection Systems |
| Power Tongs |
| Fracking |
Industries
| Steel & Aluminium Manufacturer |
| Oil, Gas Exploration & Refinery |
| Automobile Manufacturer |
| Off-Highway |
| Mining |
| Kinetic Architecture |
| Food and Pharmaceutical |

