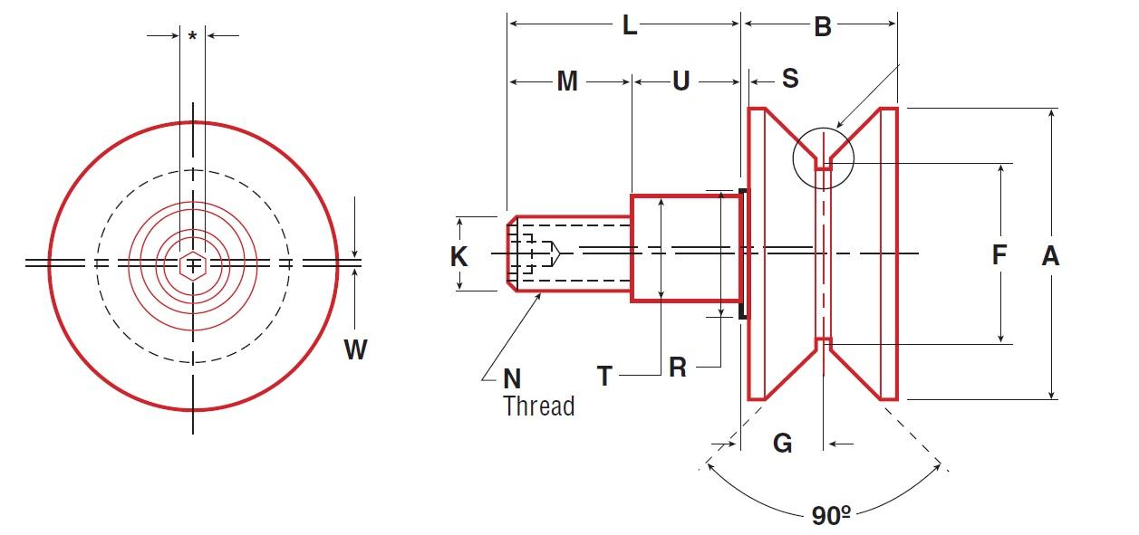
V-Grooved Eccentric Stud Style (Metric)
OSBORN V-Grooved Eccentric Stud Style(metric) load runner consist of items such as HPVE-26, HPVE-32, HPVE-40, HPVE-62, HPVE-62-1, HPVE-76, HPVE-100, HPVE-125.
V-Grooved Eccentric Stud Style (Metric)
OSBORN V-Grooved Eccentric Stud Style(metric) load runner consist of items such as HPVE-26, HPVE-32, HPVE-40, HPVE-62, HPVE-62-1, HPVE-76, HPVE-100, HPVE-125.
Selection Parameters
| Parameters | Min | Max |
|---|---|---|
| roller diameter | 40mm | 165mm |
| roller width | 20mm | 76mm |
| Point diameter | 26mm | 125mm |
| Groove location | 10mm | 27.8mm |
| Stud diameter | 10mm | 48mm |
| Stud length | 23mm | 105mm |
| Radial Load static limit | 1000N | 216290N |
| Static Thrust | 620N | 108140N |
Machines / Applications
| Coiled Tubing |
| Injection Systems |
| Power Tongs |
| Fracking |
Industries
| Steel & Aluminium Manufacturer |
| Oil, Gas Exploration & Refinery |
| Automobile Manufacturer |
| Off-Highway |
| Mining |
| Kinetic Architecture |
| Food and Pharmaceutical |

