Rollon Mono Rail
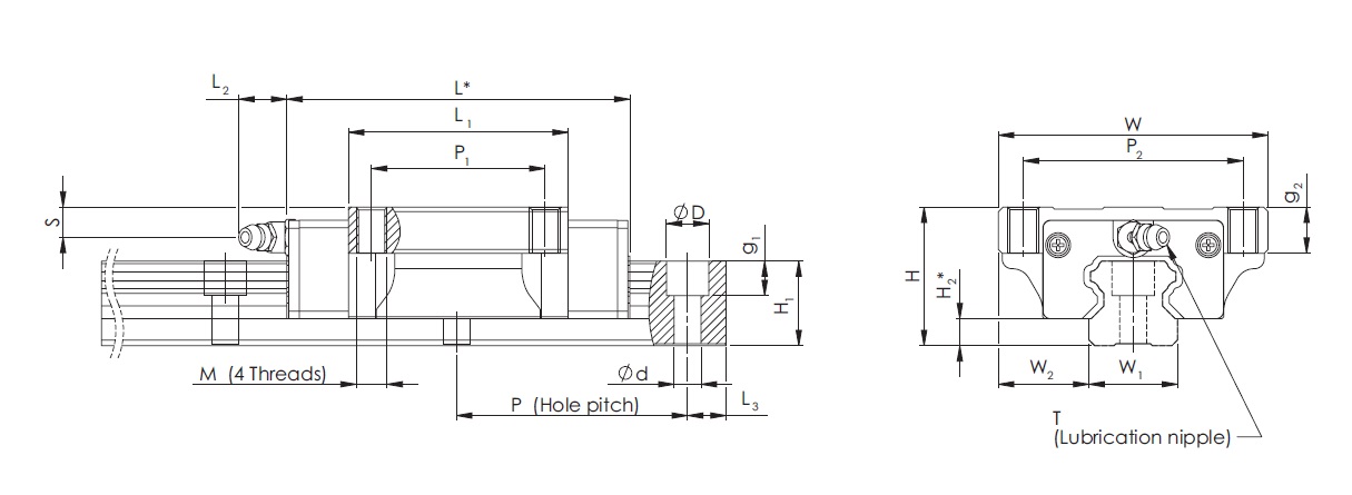
The Mono Rail has uniform loading capacity in all main directions and it has X-arrangement with 2-point contact of the raceways. It has high ability for self-regulating. It is very quiet running and has low operating noise. It is a low maintenance product due to advanced lubrication chamber.
Variant Image

Variant Diagram

Selection Parameters
| Parameters | Min | Max |
|---|---|---|
| Available Rail Lengths | - | 4000 mm |
| Static Load Capacity | 1400 N | 249000 N |
| Dynamic Load Capacity | 800 N | 155000 N |
| Operating Speed | - | 3.5 m/s |
| Temperature Range | 20 °C | 80 °C |
Variant Applications
| Machines / Applications |
|---|
| Packaging Machines |
| Special Purpose Machinery |
| X-ray Equipment, Hospital Gurneys |
| Industries |
|---|
| Machine Tool Manufacturer |
| Material Handling Equipment Manufacturer |
| Electronic Part Manufacturer |
Rollon Mono Rail
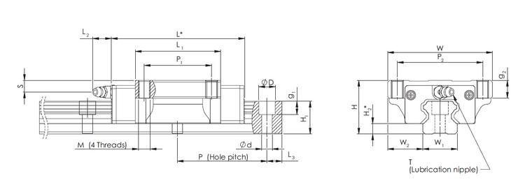
The Mono Rail has uniform loading capacity in all main directions and it has X-arrangement with 2-point contact of the raceways. It has high ability for self-regulating. It is very quiet running and has low operating noise. It is a low maintenance product due to advanced lubrication chamber.
Variant Image
Variant Diagram
Selection Parameters
| Parameters | Min | Max |
|---|---|---|
| Available Rail Lengths | - | 4000 mm |
| Static Load Capacity | 1400 N | 249000 N |
| Dynamic Load Capacity | 800 N | 155000 N |
| Operating Speed | - | 3.5 m/s |
| Temperature Range | 20 °C | 80 °C |
Variant Applications
| Machines / Applications |
|---|
| Packaging Machines |
| Special Purpose Machinery |
| X-ray Equipment, Hospital Gurneys |
| Industries |
|---|
| Machine Tool Manufacturer |
| Material Handling Equipment Manufacturer |
| Electronic Part Manufacturer |

