Rollon Hegra Rail
The Hegra Rails are designed to take high loads up to 20 KN per pair. These can provide extensions up to 200%. This is an anti-corrosive design. The variants are HTT, HVC, H1C, H1T, H2H, etc.
Variant Image

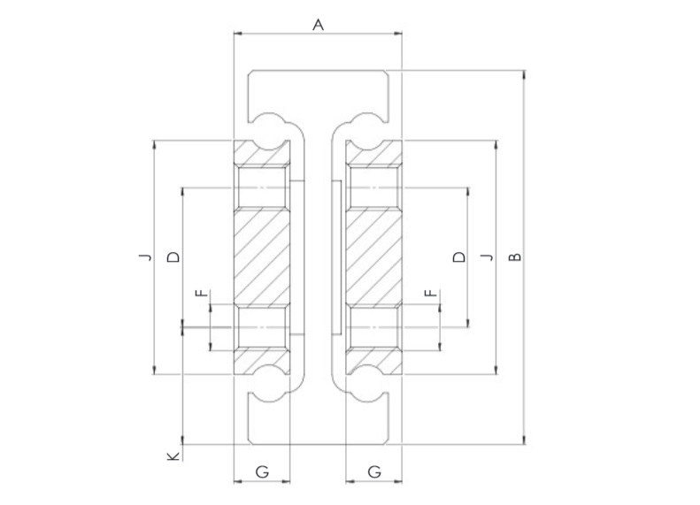
Variant Diagram

Selection Parameters
| Parameters | Min | Max |
|---|---|---|
| Available Rail Lengths | 1000 mm | 2300 mm |
| Available Stroke Length | 660 mm | 3000 mm |
| Radial Load Capacity | 1200 N | 20000 N |
| Operating Speed | - | 0.8 m/s |
| Temperature Range | -20 °C | 170 °C |
Variant Applications
| Machines / Applications |
|---|
| Drawer Extraction |
| Tray Table |
| Seat Adjustment |
| Industries |
|---|
| Automobile Manufacturer |
| Packaging Equipment Manufacturer |
| Material Handling Equipment Manufacturer |
Rollon Hegra Rail
The Hegra Rails are designed to take high loads up to 20 KN per pair. These can provide extensions up to 200%. This is an anti-corrosive design. The variants are HTT, HVC, H1C, H1T, H2H, etc.
Variant Image
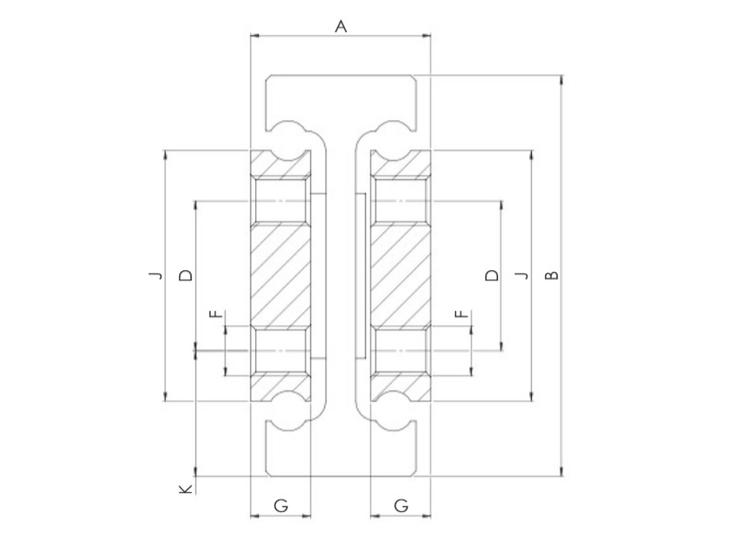
Variant Diagram
Selection Parameters
| Parameters | Min | Max |
|---|---|---|
| Available Rail Lengths | 1000 mm | 2300 mm |
| Available Stroke Length | 660 mm | 3000 mm |
| Radial Load Capacity | 1200 N | 20000 N |
| Operating Speed | - | 0.8 m/s |
| Temperature Range | -20 °C | 170 °C |
Variant Applications
| Machines / Applications |
|---|
| Drawer Extraction |
| Tray Table |
| Seat Adjustment |
| Industries |
|---|
| Automobile Manufacturer |
| Packaging Equipment Manufacturer |
| Material Handling Equipment Manufacturer |

