Thomson KGF-D(FH)
Thomson cold rolled ball crews are manufactured by the cold rolling process. There is no ship removal here. Due to the typical rolling process, there is compressive stress at the surface resulting in longer life for ball screw with good quality and stable running
Variant Image

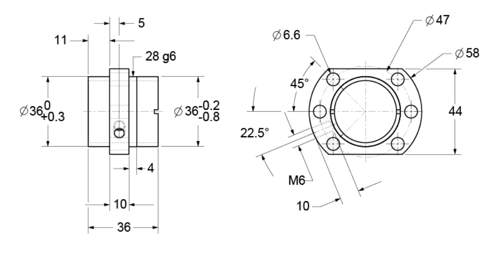
Variant Diagram

Selection Parameters
| Parameters | Min | Max |
|---|---|---|
| Nominal Diameter | 20 MM | 63 MM |
| Lead | 10 MM | 40 MM |
| Dynamic Load | 10.8 KN | 103.1 KN |
| Static Load | 17.5 KN | 270.8 KN |
Variant Applications
| Machines / Applications |
|---|
| Tyre Building Machine |
| CNC Machines |
| VMC Machines |
| Gluing & Grinding Machine |
| Industries |
|---|
| Machine Tool Manufacturer |
| Aircraft Construction |
| Wood Working |
| Material Handling Equipment Manufacturer |
| Medical Equipment |
| Press Machine Industry |
| Paper Manufacturing |
Thomson KGF-D(FH)
Thomson cold rolled ball crews are manufactured by the cold rolling process. There is no ship removal here. Due to the typical rolling process, there is compressive stress at the surface resulting in longer life for ball screw with good quality and stable running
Variant Image
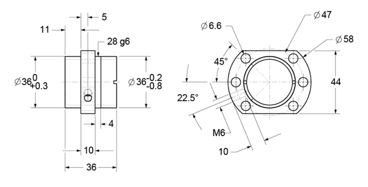
Variant Diagram
Selection Parameters
| Parameters | Min | Max |
|---|---|---|
| Nominal Diameter | 20 MM | 63 MM |
| Lead | 10 MM | 40 MM |
| Dynamic Load | 10.8 KN | 103.1 KN |
| Static Load | 17.5 KN | 270.8 KN |
Variant Applications
| Machines / Applications |
|---|
| Tyre Building Machine |
| CNC Machines |
| VMC Machines |
| Gluing & Grinding Machine |
| Industries |
|---|
| Machine Tool Manufacturer |
| Aircraft Construction |
| Wood Working |
| Material Handling Equipment Manufacturer |
| Medical Equipment |
| Press Machine Industry |
| Paper Manufacturing |

