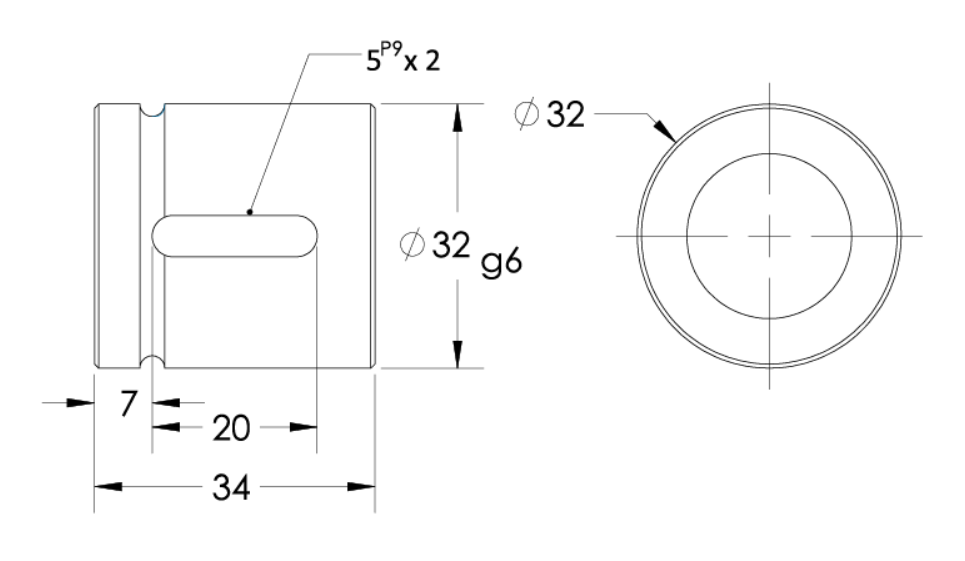
Thomson KGM-N
Thomson cold rolled ball crews are manufactured by the cold rolling process. There is no ship removal here. Due to the typical rolling process, there is compressive stress at the surface resulting in longer life for ball screws with good quality and stable running. The ball nut is available with "round nut " design series KGM-N without flange.
Variant Image

Variant Diagram

Selection Parameters
| Parameters | Min | Max |
|---|---|---|
| Nominal Diameter | 12 MM | 80 MM |
| Lead | 4 MM | 50 MM |
| Dynamic Load | 4.9 KN | 86.3 KN |
| Static Load | 6.6 KN | 262.4 KN |
Variant Applications
| Machines / Applications |
|---|
| Tyre Building Machine |
| CNC Machines |
| VMC machines |
| Industries |
|---|
| Machine Tool Manufacturer |
| Aircraft Construction |
| Wood Working |
| Material Handling Equipment Manufacturer |
| Medical Equipment |
| Press Machine Industry |
| Paper Manufacturing |
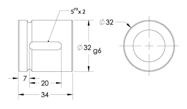
Thomson KGM-N
Thomson cold rolled ball crews are manufactured by the cold rolling process. There is no ship removal here. Due to the typical rolling process, there is compressive stress at the surface resulting in longer life for ball screws with good quality and stable running. The ball nut is available with "round nut " design series KGM-N without flange.
Variant Image
Variant Diagram
Selection Parameters
| Parameters | Min | Max |
|---|---|---|
| Nominal Diameter | 12 MM | 80 MM |
| Lead | 4 MM | 50 MM |
| Dynamic Load | 4.9 KN | 86.3 KN |
| Static Load | 6.6 KN | 262.4 KN |
Variant Applications
| Machines / Applications |
|---|
| Tyre Building Machine |
| CNC Machines |
| VMC machines |
| Industries |
|---|
| Machine Tool Manufacturer |
| Aircraft Construction |
| Wood Working |
| Material Handling Equipment Manufacturer |
| Medical Equipment |
| Press Machine Industry |
| Paper Manufacturing |

