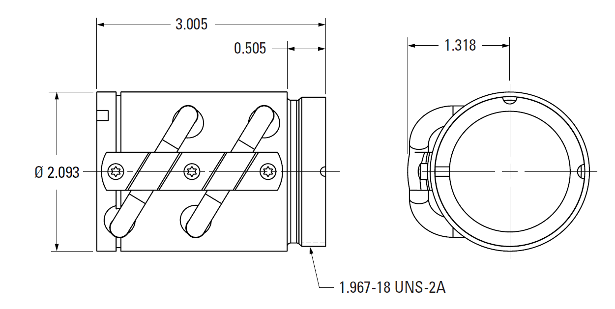
Thomson Precision Rolled Inch Ball Screws
Thomson precision rolled ball screw sare in Inch series, with preload and with backlash option. It is an economical design with a tube return design. The ball nut comes with an external thread on the body for flange connection.
Variant Image

Variant Diagram

Selection Parameters
| Parameters | Min | Max |
|---|---|---|
| Nominal Diameter | 0.375 Inch | 4 Inch |
| Lead | 0.125 Inch | 2 Inch |
| Max. Axial Backlash (Non-preloaded) | 0.002 Inch | 0.015 Inch |
Variant Applications
| Industries |
|---|
| Machine Tool Manufacturer |
| Aircraft Construction |
| Wood Working |
| Material Handling Equipment Manufacturer |
| Medical Equipment |
| Press Machine Industry |
| Paper Manufacturing |
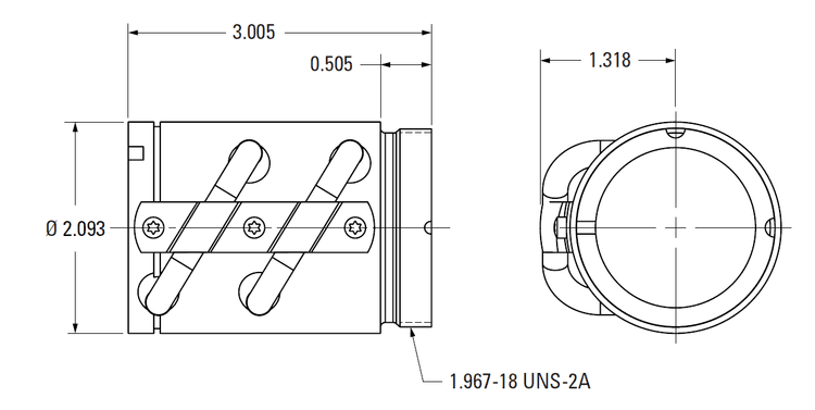
Thomson Precision Rolled Inch Ball Screws
Thomson precision rolled ball screw sare in Inch series, with preload and with backlash option. It is an economical design with a tube return design. The ball nut comes with an external thread on the body for flange connection.
Variant Image
Variant Diagram
Selection Parameters
| Parameters | Min | Max |
|---|---|---|
| Nominal Diameter | 0.375 Inch | 4 Inch |
| Lead | 0.125 Inch | 2 Inch |
| Max. Axial Backlash (Non-preloaded) | 0.002 Inch | 0.015 Inch |
Variant Applications
| Industries |
|---|
| Machine Tool Manufacturer |
| Aircraft Construction |
| Wood Working |
| Material Handling Equipment Manufacturer |
| Medical Equipment |
| Press Machine Industry |
| Paper Manufacturing |

