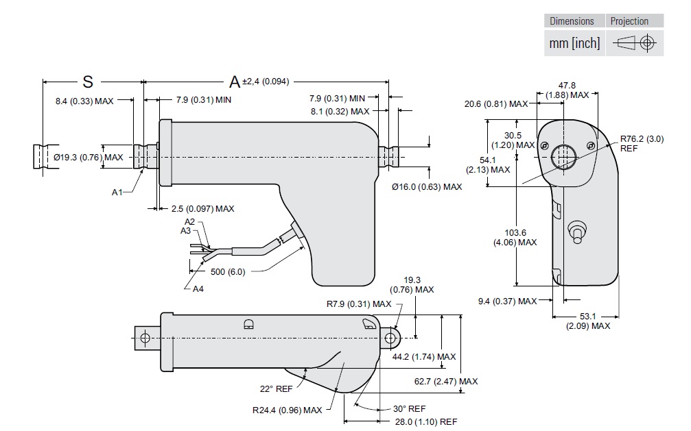
Thomson Electrak® 050 Linear Actuator (ILA)
It is DC actuator with IP 65 protection,12 v dc/ 24 v dc . Acme screw drive is there. It is a maintenance free electric cylinder, suitable for a 25% duty cycle. Max stroke is 8 inches= 200 mm
Variant Image

Variant Diagram

Selection Parameters
| Parameters | Min | Max |
|---|---|---|
| Available Input Voltages | 12 Vdc | 36 Vdc |
| Dynamic Load | 140 N | 510 N |
| Static Load | - | 1020 N |
| Speed @ no Load/Max. Load | - | 48/37 MM/S |
| Ordering Stroke Length | - | 200 MM |
| Operating Temperature Limits | -30 °C | 80 °C |
Variant Applications
| Machines / Applications |
|---|
| Vertical Lifting Application |
| Industries |
|---|
| Material Handling Equipment Manufacturer |
| Packaging Equipment Manufacturer |
| Medical Equipment |
| Pneumatic Equipment |
| Office Equipment |
| Assembling Machine Industry |
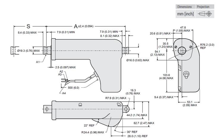
Thomson Electrak® 050 Linear Actuator (ILA)
It is DC actuator with IP 65 protection,12 v dc/ 24 v dc . Acme screw drive is there. It is a maintenance free electric cylinder, suitable for a 25% duty cycle. Max stroke is 8 inches= 200 mm
Variant Image
Variant Diagram
Selection Parameters
| Parameters | Min | Max |
|---|---|---|
| Available Input Voltages | 12 Vdc | 36 Vdc |
| Dynamic Load | 140 N | 510 N |
| Static Load | - | 1020 N |
| Speed @ no Load/Max. Load | - | 48/37 MM/S |
| Ordering Stroke Length | - | 200 MM |
| Operating Temperature Limits | -30 °C | 80 °C |
Variant Applications
| Machines / Applications |
|---|
| Vertical Lifting Application |
| Industries |
|---|
| Material Handling Equipment Manufacturer |
| Packaging Equipment Manufacturer |
| Medical Equipment |
| Pneumatic Equipment |
| Office Equipment |
| Assembling Machine Industry |

